標題描述 | 頻率 | 圖片 | 尺寸 |
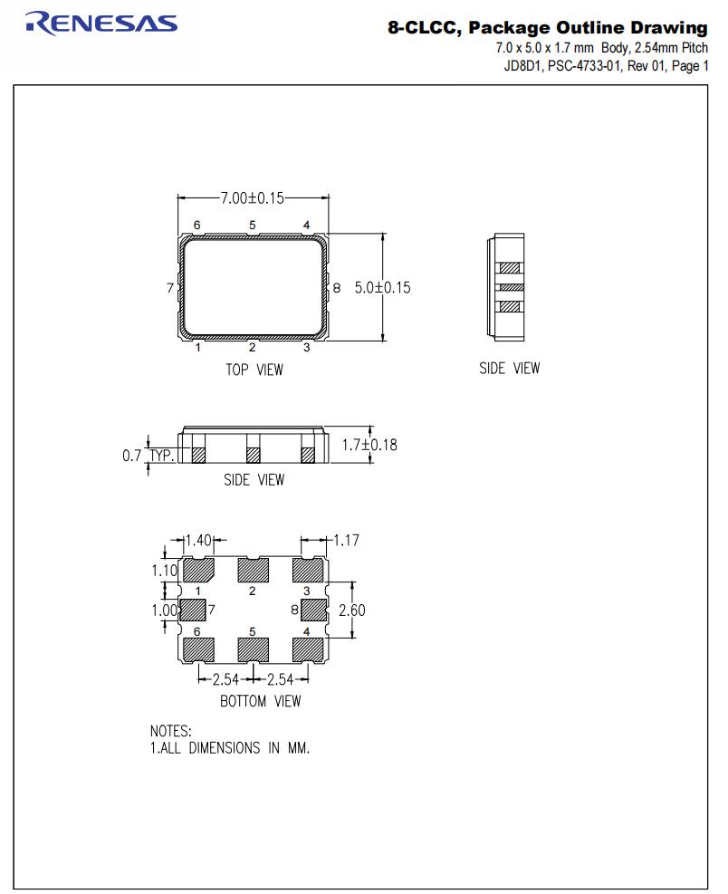
瑞薩可編程晶振,XPL736100.000000I,7050mm晶振,6G通信設備晶振
瑞薩可編程晶振,XPL736100.000000I,7050mm晶振,6G通信設備晶振,瑞薩可編程晶振,XP有源晶振,XPL736100.000000I晶振,進口貼片晶振,7050mm晶振,LVDS差分晶振,頻率100MHz,工作溫度-40~85°C,電壓3.3V,低功耗晶振,低相噪晶振,6G通信設備晶振,消費電子產品晶振,物聯網晶振,可穿戴設備晶振.
|
100MHZ |
![]() |
7.0mm x 5.0mm |
Renesas晶振,XPL53525.000000K,低抖動晶振,航空航天設備晶振
Renesas晶振,XPL53525.000000K,低抖動晶振,航空航天設備晶振,Renesas晶振,XP石英晶體振蕩器,XPL53525.000000K晶振,5032mm晶振,低抖動差分晶振,頻率25MHz,工作溫度-40~105°C,電壓3.3V,耐高溫晶振,高品質晶振,航空航天設備晶振,測試與測量設備晶振,低端路由器晶振,全球定位系統晶振.
|
25MHZ |
![]() |
5.0mm x 3.2mm |
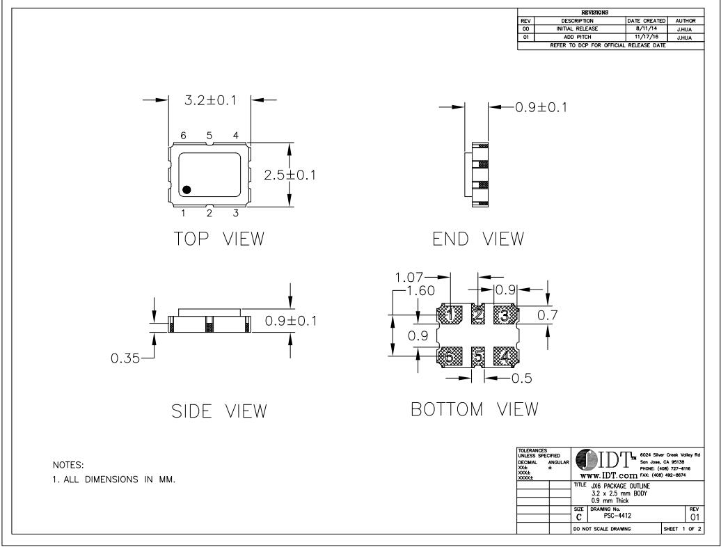
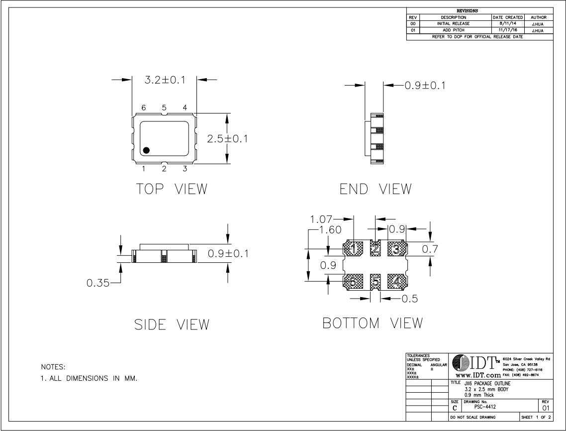
瑞薩有源晶振,3225mm晶振,XPL33616.000000I,6G無線網絡晶振
瑞薩有源晶振,3225mm晶振,XPL33616.000000I,6G無線網絡晶振,瑞薩晶振,XP進口有源晶振,XPL33616.000000I晶振,3225mm晶振,LVDS輸出差分晶振,頻率16MHz,工作溫度-40~85°C,電壓3.3V,超低相噪晶振,低功耗晶振,6G無線網絡晶振,通信設備晶振,便攜式設備晶振,智能家居應用晶振.
|
16MHZ |
![]() |
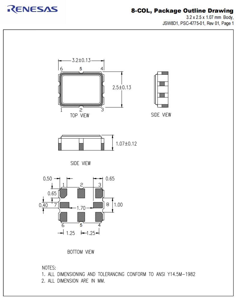
3.2mm x 2.5mm |
瑞薩進口晶振,7050mm壓控晶振,XLP73V48.000000I,6G相關設備晶振
瑞薩進口晶振,7050mm壓控晶振,XLP73V48.000000I,6G相關設備晶振,瑞薩進口晶振,XL石英晶體振蕩器,XLP73V48.000000I晶振,壓控晶振,7050mm晶振,LVPECL差分晶振,頻率48MHz,工作溫度-40~85°C,電壓3.3V,低成本晶振,高品質晶振,6G相關設備晶振,物聯網晶振,服務器和存儲系統晶振,光終端設備晶振.
|
48MHZ |
![]() |
7.0mm x 5.0mm |
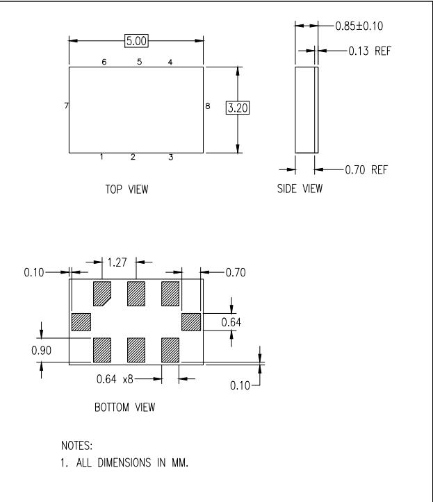
Renesas晶振,XLL53V52.000000I,VCXO振蕩器,6G通信晶振
Renesas晶振,XLL53V52.000000I,VCXO振蕩器,6G通信晶振,Renesas晶振,XL進口有源晶振,XLL53V52.000000I晶振,5032mm晶振,VCXO振蕩器,LVDS輸出差分晶振,頻率52MHz,工作溫度-40~85°C,電壓3.3V,低相噪晶振,低抖動晶振,6G通信晶振,網絡終端晶振,數據中心晶振,高速轉換器晶振.
|
52MHZ |
![]() |
5.0mm x 3.2mm |
RENESAS晶振,XLL338190.000000K,LVDS有源差分晶振,6G應用晶振
RENESAS晶振,XLL338190.000000K,LVDS有源差分晶振,6G應用晶振,RENESAS晶振,XL有源差分晶振,XLL338190.000000K晶振,3225mm晶振,石英晶體振蕩器,LVDS輸出差分晶振,頻率190MHz,工作溫度-40~105°C,電壓3.3V,耐高溫晶振,高可靠性晶振,6G應用晶振,工業應用晶振,監控攝像機晶振,車載CCD相機晶振.
|
190MHZ |
![]() |
3.2mm x 2.5mm |
瑞薩晶振,XFN536250.000000I,HCSL差分晶振,6G無線網絡晶振
瑞薩晶振,XFN536250.000000I,HCSL差分晶振,6G無線網絡晶振,瑞薩晶振,XF有源晶振,XFN536250.000000I晶振,貼片石英晶振,5032mm晶振,HCSL差分晶振,小體積晶振,頻率250MHz,工作溫度-40~85°C,電壓3.3V,低抖動晶振,高穩定性晶振,6G無線網絡晶振,有線基礎設施晶振,電信交換機晶振,工廠自動化晶振.
|
250MHZ |
![]() |
5.0mm x 3.2mm |
瑞薩晶振,LV-PECL晶振,XFP336200.000000I,6G以太網晶振
瑞薩晶振,LV-PECL晶振,XFP336200.000000I,6G以太網晶振,瑞薩晶振,XF石英晶體振蕩器,XFP336200.000000I晶振,2520mm晶振,SMD晶體,LV-PECL差分晶振,頻率200MHz,工作溫度-40~85°C,電壓3.3V,低相噪晶振,高品質晶振,6G以太網晶振,光纖通道晶振,微處理器晶振,存儲器晶振.
|
200MHZ |
![]() |
3.2mm x 2.5mm |
RENESAS晶振,XFL236156.250000I,LVDS差分晶振,6G基站晶振
RENESAS晶振,XFL236156.250000I,LVDS差分晶振,6G基站晶振,RENESAS晶振,XF進口有源晶振,XFL236156.250000I晶振,2520mm晶振,石英基鎖相環振蕩器,LVDS差分晶振,頻率156.25MHz,工作溫度-40~85°C,電壓3.3V,超低相位噪聲晶振,高穩定性晶振,6G基站晶振,FOM齒輪箱應用晶振,數據中心應用晶振.
|
156.25MHZ |
![]() |
2.5 x 2.0mm |
瑞薩晶振,5032mm,XAL535100.000000I,6G低成本晶振
瑞薩晶振,5032mm,XAL535100.000000I,6G低成本晶振,Renesas晶振,XA石英晶體振蕩器,XAL535100.000000I晶振,5032mm晶振,超精密晶體振蕩器,LVDS輸出差分晶振,頻率100MHz,工作溫度-40~85°C,電壓3.3V,低相位抖動晶振,耐高溫晶振,6G低成本晶振,無線網絡晶振,室內路由器晶振,便攜式多媒體設備晶振.
|
100MHZ |
![]() |
5.0mm x 3.2mm |
Renesas晶振,XAL335125.000000I,3225mm,6G低相噪晶振
Renesas晶振,XAL335125.000000I,3225mm,6G低相噪晶振,Renesas晶振,XA有源晶振,XAL335125.000000I晶振,3225mm晶振,超精密晶體振蕩器,進口貼片晶振,頻率125MHz,工作溫度-40~85°C,電壓3.3V,低相噪晶振,低成本晶振,6G應用晶振,移動應用晶振,消費電子產品晶振,車載應用晶振.
|
125MHZ |
![]() |
3.2mm x 2.5mm |
資訊新聞
金洛鑫電子2019春節放假通知
-
金洛鑫電子2019春節放假通知
今天是2019年1月19日,還有16天就是除夕夜,回顧2018年頻率控制元器件行業也發生了不少大小事,在過去一年里國外許多晶振廠家都在加大力度發展LVDS,LV-PECL輸出的差分晶振;由于美金多次上漲,幾乎達到歷史高點,導致進口晶振來料成本提高;貼片晶振封裝尺寸成功制成至1.0*0.8mm;日系的KDS晶振,愛普生晶振,精工晶振,NDK晶振和京瓷晶振銷量同比往年有所下降等.金洛鑫電子是以上品牌的代理商,因為越來越多的美國,德國,英國,法國,瑞士,新西蘭,荷蘭,韓國等地方的進口品牌進駐中國市場,導致日系和臺產晶振沒有前幾年那么熱銷,但仍然占據市場的大半份額.【更多詳情】
- 2025-09-30 Statek是高可靠性石英晶體與振蕩器領域的領航者
- 2025-09-30 Statek公司的NTXO和NTXOHG產品小身材蘊含大能量
- 2025-09-29 Mtron為雷達應用提供的射頻組件與解決方案
- 2025-09-29 MTRONPTI新品來襲UFDX9999-002引領C波段新變革
- 2025-09-28 Suntsu松圖的Wi-Fi感知技術是智能環境的未來
- 2025-09-28 使用Suntsu的超低抖動振蕩器來消除信號抖動問題
- 2025-09-26 Cardinal卡迪納爾溫補振蕩器的特性分析
- 2025-09-26 解鎖Cardinal新一代陶瓷封裝可編程晶體振蕩器全功能應用新視界
- 2025-09-25 京瓷突破750Mbps水下光通信開啟海洋通信新時代
- 2025-09-25 KYOCERA日本京瓷開發出超小型KC1210A系列時鐘用晶體振蕩器
- 2025-09-23 Microchip的JANSPowerMOSFET解鎖太空可靠性新高度
- 2025-09-22 SiTime憑借Titan Platform進入40億美元規模的諧振器市場
- 2025-09-22 BomarCrystal專注于表面貼裝(SMD)晶體和振蕩器產品的研發與生產
- 2025-09-20 Pletronics普銳特新型頻率控制技術與傳統石英技術的對比分析
- 2025-09-20 Pletronics普銳特MEM產品與傳統石英產品的對比分析
- 2025-09-19 Murata村田IoT設備用Wi-Fi 6E/Bluetooth組合模塊以小型高性能解鎖萬物互聯新可能
JLX-PD
金洛鑫產品系列
PRODUCT LINE
石英晶振
QuartzCrystal
- KDS晶振
- 愛普生晶振
- NDK晶振
- 京瓷晶振
- 精工晶振
- 西鐵城晶振
- 大河晶振
- 村田晶振
- 泰藝晶振
- TXC晶振
- 鴻星晶振
- 希華晶振
- 加高晶振
- 百利通亞陶晶振
- 嘉碩晶振
- 津綻晶振
- 瑪居禮晶振
- 富士晶振
- SMI晶振
- Lihom晶振
- SHINSUNG晶振
- NAKA晶振
- AKER晶振
- NKG晶振
- NJR晶振
- Sunny晶振
貼片晶振
SMDcrystal
- CTS晶振
- 微晶晶振
- 瑞康晶振
- 康納溫菲爾德晶振
- 高利奇晶振
- Jauch晶振
- AbraconCrystal晶振
- 維管晶振
- ECScrystal晶振
- 日蝕晶振
- 拉隆晶振
- 格林雷晶振
- SiTimeCrystal晶振
- IDTcrystal晶振
- PletronicsCrystal晶振
- StatekCrystal晶振
- AEK晶振
- AEL晶振
- Cardinal晶振
- Crystek晶振
- Euroquartz晶振
- Fox晶振
- Frequency晶振
- GEYER晶振
- KVG晶振
- ILSI晶振
- Mmdcomp晶振
- MtronPTI晶振
- QANTEK晶振
- QuartzCom晶振
- Quarztechnik晶振
- Suntsu晶振
- Transko晶振
- Wi2Wi晶振
- ITTI晶振
- Oscilent晶振
- ACT晶振
- Rubyquartz晶振
- MTI-milliren晶振
- PDI晶振
- IQD晶振
- Microchip晶振
- Silicon晶振
- Anderson晶振
- Fortiming晶振
- CORE晶振
- NIPPON晶振
- NIC晶振
- QVS晶振
- Bomar晶振
- Bliley晶振
- GED晶振
- FILTRONETICS晶振
- STD晶振
- Q-Tech晶振
- Wenzel晶振
- NEL晶振
- EM晶振
- PETERMANN晶振
- FCD-Tech晶振
- HEC晶振
- FMI晶振
- Macrobizes晶振
- AXTAL晶振
- ARGO晶振
- 瑞薩renesas晶振
- Skyworks晶振