Fortiming品牌,XCS75-48M000-1C30B18,6G移動無線電晶振
頻率:48MHZ
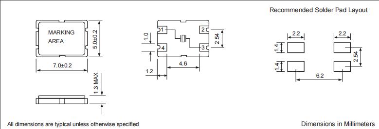
尺寸:7.0×5.0mm
Fortiming品牌,XCS75-48M000-1C30B18,6G移動無線電晶振,Fortiming品牌,進口晶振,XCS75無源晶振,石英晶體諧振器,XCS75-48M000-1C30B18晶振,7050mm晶振,四腳貼片晶振,SMD晶體,頻率48MHz,負載18pF,頻率穩定性30ppm,工作溫度-40~85°C,無鉛環保晶振,高精度晶振,低老化晶振,6G移動無線電晶振,消費電子產品晶振, 工業應用智能卡晶振.
Fortiming品牌,XCS75-48M000-1C30B18,6G移動無線電晶振,Fortiming品牌,進口晶振,XCS75無源晶振,石英晶體諧振器,XCS75-48M000-1C30B18晶振,7050mm晶振,四腳貼片晶振,SMD晶體,頻率48MHz,負載18pF,頻率穩定性30ppm,工作溫度-40~85°C,無鉛環保晶振,高精度晶振,低老化晶振,6G移動無線電晶振,消費電子產品晶振, 工業應用智能卡晶振.
Fortiming品牌,XCS75-48M000-1C30B18,6G移動無線電晶振特點:
-符合RoHS標準(無鉛),寬溫度范圍可用
-AT切割晶體,高精度,優異的老化,擴展的溫度范圍
-行業標準封裝,緊湊的尺寸(7 x 5毫米)與1.3毫米高度最大
-優良的可焊性
Fortiming品牌,XCS75-48M000-1C30B18,6G移動無線電晶振規格表
項目
規格說明
額定頻率
48MHz
共振方式
Fundamental
校準公差@25°C
±20 ppm
頻率穩定性
+30 ppm
工作溫度
-40℃~ +85℃
老化
±5 ppm / year Maximum
儲存溫度
-40°C to 85°C
負載電容
18pF
并聯電容
7 pF Maximum
激勵功率
0.1 mW Maximum
等效串聯電阻
30 Ohms Maximum
Fortiming品牌,XCS75-48M000-1C30B18,6G移動無線電晶振尺寸圖
公司名:深圳市金洛鑫電子有限公司
聯系人:茹紅青
手機:13510569637
電話:0755-27837162
QQ號:657116624
微信公眾號:CITIZENCRYSTAL
搜狐公眾號:晶振石英晶振NDK晶振
郵箱:jinluodz@163.com
地址:深圳市寶安區41區甲岸路19號
相關的產品 / Related Products
- X32-12.000-12-10/20I,Mercury晶振,網絡應用晶振
- X32-12.000-12-10/20I,Mercury晶振,網絡應用晶振,作為臺灣瑪居禮晶振旗下網絡應用專用晶振,X32-12.000-12-10/20I以高頻穩定性與網絡適配性為核心優勢:通過先進的晶體切割與封裝工藝,實現12.000MHz高頻下的低相位噪聲,減少時鐘信號抖動,提升網絡數據傳輸的完整性;±10ppm的常溫頻率容差遠超普通民用晶振,可滿足網絡設備對時鐘精度的嚴苛要求.此外,產品優化了等效串聯電阻(ESR),在高頻工作狀態下仍能保持低信號損耗,適配網絡設備長時間高負載運行,特別適合企業級路由器,數據中心交換機,工業網關等對穩定性要求極高的網絡場景.
- Q8.0-JXG53P4-12-30/50-T1-LF,陶瓷晶振,5032晶體諧振器
- Q8.0-JXG53P4-12-30/50-T1-LF,陶瓷晶振,5032晶體諧振器,具備晶體諧振器功能,核心工作頻率穩定為8.0MHz,專為對時鐘信號有基礎需求且追求成本效益的電子設備設計.產品擁有±30ppm(常溫)與±50ppm(全溫域)的頻率容差,搭配T1型標準引腳配置及LF低功耗特性,無需額外驅動電路即可直接適配多數微控制器(MCU),小家電控制模塊的時鐘輸入接口,簡化硬件設計,廣泛適用于小型家電,消費類電子玩具,普通傳感器等場景.
- Q19.2-JXS32-12-10/20-T1-LF,Jauch無源晶振,3225石英晶振
- Q19.2-JXS32-12-10/20-T1-LF,Jauch無源晶振,3225石英晶振,作為歐美Jauch晶振旗下高穩定性無源晶振產品,Q19.2-JXS32-12-10/20-T1-LF以高精度頻率控制為核心優勢:通過優化的石英晶體切割工藝,實現±10ppm的初始頻率偏差,在-40℃~85℃工業溫域內仍能保持±20ppm的穩定輸出,有效避免溫度波動導致的設備時鐘漂移.同時,3225超小封裝設計滿足小型化設備的布局需求,LF低功耗特性可降低系統整體能耗,特別適合物聯網傳感器,便攜式醫療設備等對穩定性與功耗雙重敏感的應用場景.
JLX-PD
金洛鑫產品系列
PRODUCT LINE
石英晶振
QuartzCrystal
- KDS晶振
- 愛普生晶振
- NDK晶振
- 京瓷晶振
- 精工晶振
- 西鐵城晶振
- 大河晶振
- 村田晶振
- 泰藝晶振
- TXC晶振
- 鴻星晶振
- 希華晶振
- 加高晶振
- 百利通亞陶晶振
- 嘉碩晶振
- 津綻晶振
- 瑪居禮晶振
- 富士晶振
- SMI晶振
- Lihom晶振
- SHINSUNG晶振
- NAKA晶振
- AKER晶振
- NKG晶振
- NJR晶振
- Sunny晶振
貼片晶振
SMDcrystal
- CTS晶振
- 微晶晶振
- 瑞康晶振
- 康納溫菲爾德晶振
- 高利奇晶振
- Jauch晶振
- AbraconCrystal晶振
- 維管晶振
- ECScrystal晶振
- 日蝕晶振
- 拉隆晶振
- 格林雷晶振
- SiTimeCrystal晶振
- IDTcrystal晶振
- PletronicsCrystal晶振
- StatekCrystal晶振
- AEK晶振
- AEL晶振
- Cardinal晶振
- Crystek晶振
- Euroquartz晶振
- Fox晶振
- Frequency晶振
- GEYER晶振
- KVG晶振
- ILSI晶振
- Mmdcomp晶振
- MtronPTI晶振
- QANTEK晶振
- QuartzCom晶振
- Quarztechnik晶振
- Suntsu晶振
- Transko晶振
- Wi2Wi晶振
- ITTI晶振
- Oscilent晶振
- ACT晶振
- Rubyquartz晶振
- MTI-milliren晶振
- PDI晶振
- IQD晶振
- Microchip晶振
- Silicon晶振
- Anderson晶振
- Fortiming晶振
- CORE晶振
- NIPPON晶振
- NIC晶振
- QVS晶振
- Bomar晶振
- Bliley晶振
- GED晶振
- FILTRONETICS晶振
- STD晶振
- Q-Tech晶振
- Wenzel晶振
- NEL晶振
- EM晶振
- PETERMANN晶振
- FCD-Tech晶振
- HEC晶振
- FMI晶振
- Macrobizes晶振
- AXTAL晶振
- ARGO晶振
- 瑞薩renesas晶振
- Skyworks晶振