Mmdcomp晶振,WC26SM晶振,WC26SMFC-32.768KHZ- 12.5pFT晶振
頻率:32.768KHZ
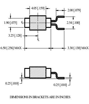
尺寸:2*6mm
插件石英晶振最適合用于比較低端的電子產品,比如兒童玩具,普通家用電器,即使在汽車電子領域中也能使產品高可靠性的使用.并且可用于安全控制裝置的CPU時鐘信號發生源部分,好比時鐘單片機上的石英晶振,在極端嚴酷的環境條件下,晶振也能正常工作,具有穩定的起振特性,高耐熱性,耐熱循環性和耐振性等.
Mmdcomp晶振,WC26SM晶振,WC26SMFC-32.768KHZ- 12.5pFT晶振,Mmdcomp晶振公司時至今日已經是頻率控制元器件行業里比較有名的一家制造商,這個品牌被60多個國家的生產廠家們認識,海內外擁有多家分銷商和代理商,主要生產水晶振動子,無源貼片晶振,XO振蕩器,VCXO壓控振蕩器,TCXO溫補振蕩器,OCXO恒溫晶體振蕩器,MEMS可編程振蕩器等頻率元件類型。于軍工級,商業級,民用級產業都有合作,產品具有多用途性,搞穩定性,高品質,低功耗,耐惡劣環境等優勢。
Mmdcomp晶振,WC26SM晶振,WC26SMFC-32.768KHZ- 12.5pFT晶振,MMD Monitor / Quartztek不斷將其利潤重新投入公司,并繼續追求選定的戰略投資,以保持技術前沿,促進未來發展。該公司通過提供高質量的石英晶體產品,具有競爭力的價格,及時交付,可靠的工程支持和無與倫比的靈活性贏得了與客戶的密切長期合作關系。
Mmdcomp晶振,WC26SM晶振,WC26SMFC-32.768KHZ- 12.5pFT晶振,插件石英晶振最適合用于比較低端的電子產品,比如兒童玩具,普通家用電器,即使在汽車電子領域中也能使產品高可靠性的使用.并且可用于安全控制裝置的CPU時鐘信號發生源部分,好比時鐘單片機上的石英晶振,在極端嚴酷的環境條件下,晶振也能正常工作,具有穩定的起振特性,高耐熱性,耐熱循環性和耐振性等.
貼片晶振晶片邊緣處理技術:貼片晶振是晶片通過滾筒倒邊,主要是為了去除晶振晶片的邊緣效應,在實際操作中機器運動方式設計、滾筒的曲率半徑、滾筒的長短、使用的研磨砂的型號、多少、填充物種類及多少等各項設計必須合理,有一項不完善都會使SMD晶振晶片的邊緣效應不能去除,而石英晶振晶片的諧振電阻過大,用在電路中Q值過小,從而電路不能振動或振動了不穩定。
Frequency | 32.768KHZ |
Tolerance at +25°C | See Part Number Guide |
Stability | -0.034 ±0.006 ppm / °C2 |
Aging | ±5 ppm/ yr |
Shunt Capacitance | 1.5 pF |
Load Capacitance | 12.5 pF Typ (6pF Option) |
Motional Capacitance | 0.003 pF TYP |
Operating Temperature | -40°C to +85°C |
Storage Temperature | -40°C to +85°C |
Equivalent Resistance | 50k Ohms Max |
Drive Level | 1 µW Max |
Temperature Coefficient | 0.04 ppm / ° C |
Insulation Resistance | 500 Megaohms Min / DC 100 V |
Shock Resistance | ±5 ppm Max (Drop test 3 times on a hard board from 75 cm) |
抗沖擊
無源貼片晶振可能會在某些條件下受到損壞。例如從桌上跌落或在貼裝過程中受到沖擊。如果產品已受過沖擊請勿使用。
輻射
暴露于輻射環境會導致石英晶體性能受到損害,因此應避免照射。 Mmdcomp晶振,WC26SM晶振,WC26SMFC-32.768KHZ- 12.5pFT晶振.
化學制劑/pH值環境
請勿在PH值范圍可能導致腐蝕或溶解晶振或包裝材料的環境下使用或儲藏這些產品。
粘合劑
請勿使用可能導致SMD無源晶振所用的封裝材料,終端,組件,玻璃材料以及氣相沉積材料等受到腐蝕的膠粘劑。 (比如,氯基膠粘劑可能腐蝕一個晶體單元的金屬“蓋”,從而破壞密封質量,降低性能。)
鹵化合物
請勿在鹵素氣體環境下使用無源晶振。即使少量的鹵素氣體,比如在空氣中的氯氣內或封裝所用金屬部件內,都可能產生腐蝕。同時,請勿使用任何會釋放出鹵素氣體的樹脂。
靜電
過高的靜電可能會損壞石英晶體諧振器,請注意抗靜電條件。請為容器和封裝材料選擇導電材料。在處理的時候,請使用電焊槍和無高電壓泄漏的測量電路,并進行接地操作。
公司名:深圳市金洛鑫電子有限公司
聯系人:茹紅青
手機:13510569637
電話:0755-27837162
QQ號:657116624
微信公眾號:CITIZENCRYSTAL
搜狐公眾號:晶振石英晶振NDK晶振
郵箱:jinluodz@163.com
地址:深圳市寶安區41區甲岸路19號
相關的產品 / Related Products
- FKT15環保晶振,FOX圓柱晶體,FKT15EIHD0.032768學習用品晶振
- FKT15環保晶振,FOX圓柱晶體,FKT15EIHD0.032768學習用品晶振,美國FOX晶振,無源晶振,FKT15晶振,32.768KHz晶振,石英晶體,FKT15EIHD0.032768晶振,105晶振,二腳晶振,插件晶振,圓柱晶振,小型晶振,低成本晶振,移動網絡晶振,無源晶振,智能手表晶振,音叉晶振,環保晶振,微型晶振,無人機晶振,高精度晶振,低損耗晶振,環保無鉛晶振,超小型晶振,DIP晶振,進口晶振,兒童用品晶振,學習用品晶振。
- WXFSR-32K768-12.5,富通晶振,KHZ音叉晶體,6G低成本晶振
WXFSR-32K768-12.5,富通晶振,KHZ音叉晶體,6G低成本晶振,富通晶振,進口晶振,WXFSR音叉晶體,圓柱晶振,WXFSR-32K768-12.5晶振,無源晶振,石英晶體諧振器,2*6mm晶振,SMD晶體,頻率32.768KHz,負載12.5pF,頻率容差20ppm,工作溫度-40~85°C,小體積晶振,高可靠性晶振,具有經濟成本性能,微處理器時鐘晶振,智能手表晶振,數字電表晶振,移動電話晶振.
- WXC26-32K768-12.5|Fortiming晶振|32.768KHz|2*6圓柱晶振
WXC26-32K768-12.5|Fortiming晶振|32.768KHz|2*6圓柱晶振,Fortiming晶振,WXC26圓柱晶振,無源晶振,WXC26-32K768-12.5晶振,石英晶體諧振器,二腳插件晶振,2*6mm晶振,頻率32.768KHz,負載12.5pF,頻率容差20ppm,工作溫度-10~60°C,無鉛環保晶振,超小型晶振,抗沖擊晶振,隨身聽晶振,錄音筆晶振,移動電話機晶振,CPU時間時鐘晶振.
JLX-PD
金洛鑫產品系列
PRODUCT LINE
石英晶振
QuartzCrystal
- KDS晶振
- 愛普生晶振
- NDK晶振
- 京瓷晶振
- 精工晶振
- 西鐵城晶振
- 大河晶振
- 村田晶振
- 泰藝晶振
- TXC晶振
- 鴻星晶振
- 希華晶振
- 加高晶振
- 百利通亞陶晶振
- 嘉碩晶振
- 津綻晶振
- 瑪居禮晶振
- 富士晶振
- SMI晶振
- Lihom晶振
- SHINSUNG晶振
- NAKA晶振
- AKER晶振
- NKG晶振
- NJR晶振
- Sunny晶振
貼片晶振
SMDcrystal
- CTS晶振
- 微晶晶振
- 瑞康晶振
- 康納溫菲爾德晶振
- 高利奇晶振
- Jauch晶振
- AbraconCrystal晶振
- 維管晶振
- ECScrystal晶振
- 日蝕晶振
- 拉隆晶振
- 格林雷晶振
- SiTimeCrystal晶振
- IDTcrystal晶振
- PletronicsCrystal晶振
- StatekCrystal晶振
- AEK晶振
- AEL晶振
- Cardinal晶振
- Crystek晶振
- Euroquartz晶振
- Fox晶振
- Frequency晶振
- GEYER晶振
- KVG晶振
- ILSI晶振
- Mmdcomp晶振
- MtronPTI晶振
- QANTEK晶振
- QuartzCom晶振
- Quarztechnik晶振
- Suntsu晶振
- Transko晶振
- Wi2Wi晶振
- ITTI晶振
- Oscilent晶振
- ACT晶振
- Rubyquartz晶振
- MTI-milliren晶振
- PDI晶振
- IQD晶振
- Microchip晶振
- Silicon晶振
- Anderson晶振
- Fortiming晶振
- CORE晶振
- NIPPON晶振
- NIC晶振
- QVS晶振
- Bomar晶振
- Bliley晶振
- GED晶振
- FILTRONETICS晶振
- STD晶振
- Q-Tech晶振
- Wenzel晶振
- NEL晶振
- EM晶振
- PETERMANN晶振
- FCD-Tech晶振
- HEC晶振
- FMI晶振
- Macrobizes晶振
- AXTAL晶振
- ARGO晶振
- 瑞薩renesas晶振
- Skyworks晶振