570BBC000159DG,Skyworks振蕩器,Si570有源晶振,網絡應用晶振
頻率:148.5 MHz
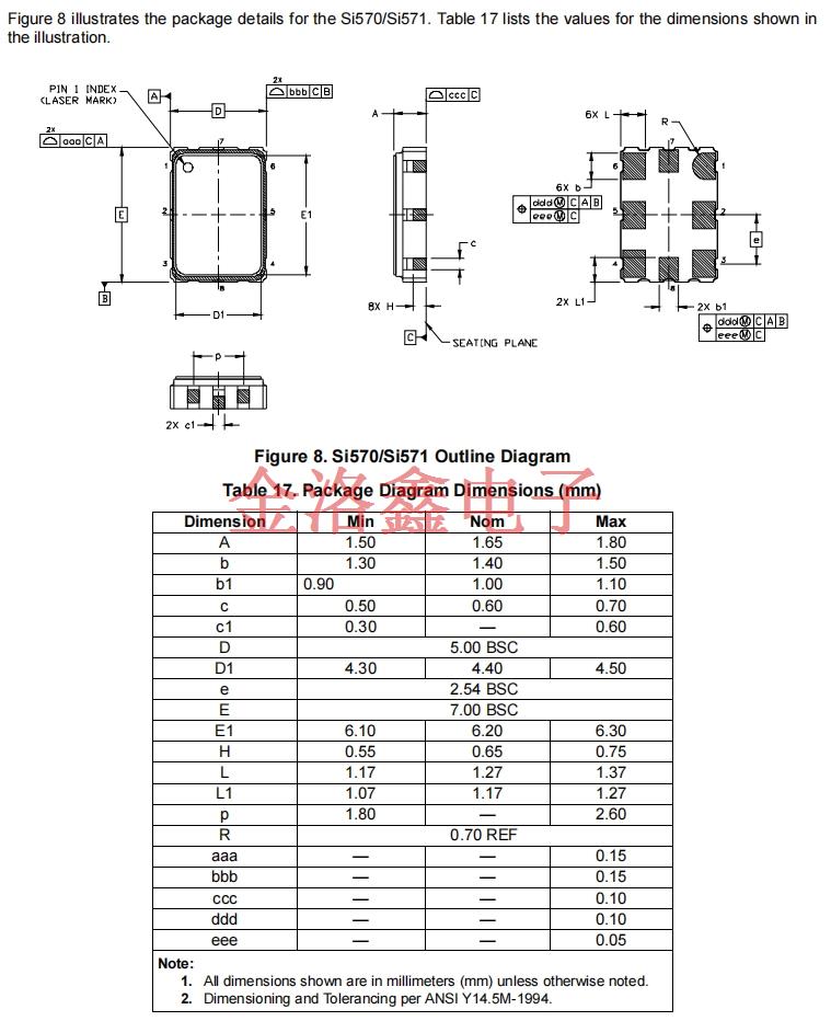
尺寸:7.00mm x 5.00mm
570BBC000159DG,Skyworks振蕩器,Si570有源晶振,網絡應用晶振,針對網絡應用中復雜的電磁環境,570BBC000159DG振蕩器通過優化的電路設計與封裝工藝,具備優異的抗電磁干擾能力.在數據中心,通信機房等多設備密集運行的場景中,能有效抵御周邊設備產生的電磁干擾,保持時鐘信號的穩定性與純凈度,減少因干擾導致的網絡通信誤碼,保障網絡鏈路的持續穩定運行,提升網絡服務質量.
570BBC000159DG,Skyworks振蕩器,Si570有源晶振,網絡應用晶振
憑借Skyworks成熟的制造工藝與嚴格的質量管控,570BBC000159DG有源晶振具備卓越的長期可靠性,使用壽命長且性能衰減率低.在網絡系統24小時不間斷運行的場景中,能持續穩定輸出時鐘信號,減少設備故障風險與維護頻次,降低網絡運營成本.此外,其寬溫工作范圍(-40℃~85℃)可適應不同地域,不同環境下的網絡部署需求,進一步提升網絡系統的環境適應性.采用緊湊的封裝設計,體積小巧,能完美適配現代網絡設備向小型化,高密度晶振發展的趨勢.在迷你路由器,便攜式網絡終端等空間受限的設備中,可節省寶貴的板載空間,同時其輕量化的特性也不會增加設備整體重量,助力網絡設備實現輕薄化設計,滿足家庭,辦公等場景對設備便攜性的需求.
570BBC000159DG,Skyworks振蕩器,Si570有源晶振,網絡應用晶振
原廠型號 Originalmodel: | 570BBC000159DG | 品牌brand: | Skyworks晶振 |
Manufacturer品牌 | 美國思佳訊晶振 | OperatingTemperature溫度 | -40°C ~ 85°C |
Series型號 | Si570 | Current-Supply(Max) | 108mA |
Type類型 | XO | PackageHeight高度 | 1.80mm |
Frequency頻率 | 148.5 MHz | Termination 腳位 | 8pad |
輸出方式 Output: | LVDS | PackageType 封裝類型 | 8-SMD |
Voltage-Supply電壓 | 3.3V | Packaging 包裝 | TapeandReel |
FrequencyStability頻率穩定度 | ±20ppm | 安裝方式 Installation: | Surfacemount |
Size/Dimension尺寸 | 7.00mm x 5.00mm | 最小包裝數MPQ: | 1000 |
570BBC000159DG,Skyworks振蕩器,Si570有源晶振,網絡應用晶振
570BBC000159DG,Skyworks振蕩器,Si570有源晶振,網絡應用晶振
510BBA156M250BAGR | Skyworks | Si510 | XO | 156.25 MHz | LVDS | 3.3V | ±25ppm | -40°C ~ 85°C |
511FBA000330BAGR | Skyworks | Si511 | XO | 125 MHz | LVDS | 2.5V | ±25ppm | -40°C ~ 85°C |
511BBA100M000BAG | Skyworks | Si511 | XO | 100 MHz | LVDS | 3.3V | ±25ppm | -40°C ~ 85°C |
511BBA125M000AAG | Skyworks | Si511 | XO | 125 MHz | LVDS | 3.3V | ±25ppm | -40°C ~ 85°C |
511BBA100M000AAG | Skyworks | Si511 | XO | 100 MHz | LVDS | 3.3V | ±25ppm | -40°C ~ 85°C |
511BBA200M000AAG | Skyworks | Si511 | XO | 200 MHz | LVDS | 3.3V | ±25ppm | -40°C ~ 85°C |
530BB125M000DG | Skyworks | Si530 | XO | 125 MHz | LVDS | 3.3V | ±20ppm | -40°C ~ 85°C |
531BC125M000DG | Skyworks | Si531 | XO | 125 MHz | LVDS | 3.3V | ±7ppm | -40°C ~ 85°C |
545BAA200M000BBG | Skyworks | Si545 | XO | 200 MHz | LVDS | 1.8V, 2.5V, 3.3V | ±20ppm | -40°C ~ 85°C |
570BAB000544DG | Skyworks | Si570 | XO | 156.25 MHz | LVDS | 3.3V | ±50ppm | -40°C ~ 85°C |
510BBA125M000AAGR | Skyworks | Si510 | XO | 125 MHz | LVDS | 3.3V | ±25ppm | -40°C ~ 85°C |
510BBA156M250AAGR | Skyworks | Si510 | XO | 156.25 MHz | LVDS | 3.3V | ±25ppm | -40°C ~ 85°C |
511ABA156M250AAGR | Skyworks | Si511 | XO | 156.25 MHz | LVPECL | 3.3V | ±25ppm | -40°C ~ 85°C |
511BBA200M000BAGR | Skyworks | Si511 | XO | 200 MHz | LVDS | 3.3V | ±25ppm | -40°C ~ 85°C |
510MCA50M0000AAGR | Skyworks | Si510 | XO | 50 MHz | CMOS | 3.3V | ±20ppm | -40°C ~ 85°C |
511BCA160M000BAGR | Skyworks | Si511 | XO | 160 MHz | LVDS | 3.3V | - | -40°C ~ 85°C |
510KBA100M000BAG | Skyworks | Si510 | XO | 100 MHz | CMOS | 1.8V | ±25ppm | -40°C ~ 85°C |
511BBA74M2500BAG | Skyworks | Si511 | XO | 74.25 MHz | LVDS | 3.3V | ±25ppm | -40°C ~ 85°C |
510BBA125M000BAG | Skyworks | Si510 | XO | 125 MHz | LVDS | 3.3V | ±25ppm | -40°C ~ 85°C |
511FBA125M000BAG | Skyworks | Si511 | XO | 125 MHz | LVDS | 2.5V | ±25ppm | -40°C ~ 85°C |
511BBA125M000BAG | Skyworks | Si511 | XO | 125 MHz | LVDS | 3.3V | ±25ppm | -40°C ~ 85°C |
510BBA100M000BAG | Skyworks | Si510 | XO | 100 MHz | LVDS | 3.3V | ±25ppm | -40°C ~ 85°C |
511FBA100M000BAG | Skyworks | Si511 | XO | 100 MHz | LVDS | 2.5V | ±25ppm | -40°C ~ 85°C |
510FBA125M000BAG | Skyworks | Si510 | XO | 125 MHz | LVDS | 2.5V | ±25ppm | -40°C ~ 85°C |
510KCA125M000BAG | Skyworks | Si510 | XO | 125 MHz | CMOS | 1.8V | ±20ppm | -40°C ~ 85°C |
511BBA000110BAG | Skyworks | Si511 | XO | 148.35165 MHz | LVDS | 3.3V | ±25ppm | -40°C ~ 85°C |
511FBA156M250BAG | Skyworks | Si511 | XO | 156.25 MHz | LVDS | 2.5V | ±25ppm | -40°C ~ 85°C |
511BBA148M500BAG | Skyworks | Si511 | XO | 148.5 MHz | LVDS | 3.3V | ±25ppm | -40°C ~ 85°C |
511JBA125M000BAG | Skyworks | Si511 | XO | 125 MHz | LVDS | 1.8V | ±25ppm | -40°C ~ 85°C |
511FBA200M000BAG | Skyworks | Si511 | XO | 200 MHz | LVDS | 2.5V | ±25ppm | -40°C ~ 85°C |
510BBA200M000BAG | Skyworks | Si510 | XO | 200 MHz | LVDS | 3.3V | ±25ppm | -40°C ~ 85°C |
511JBA100M000BAG | Skyworks | Si511 | XO | 100 MHz | LVDS | 1.8V | ±25ppm | -40°C ~ 85°C |
511FCA25M0000BAG | Skyworks | Si511 | XO | 25 MHz | LVDS | 2.5V | ±20ppm | -40°C ~ 85°C |
511FCA100M000BAG | Skyworks | Si511 | XO | 100 MHz | LVDS | 2.5V | ±20ppm | -40°C ~ 85°C |
511SBA156M250BAG | Skyworks | Si511 | XO | 156.25 MHz | CMOS | 1.8V | ±50ppm | -40°C ~ 85°C |
511JBA135M000BAG | Skyworks | Si511 | XO | 135 MHz | LVDS | 1.8V | ±25ppm | -40°C ~ 85°C |
511JBA200M000BAG | Skyworks | Si511 | XO | 200 MHz | LVDS | 1.8V | ±25ppm | -40°C ~ 85°C |
540BAA000274BBG | Skyworks | Si540 | XO | 322.265625 MHz | LVDS | 1.8V, 2.5V, 3.3V | ±20ppm | -40°C ~ 85°C |
530BA125M000DG | Skyworks | Si530 | XO | 125 MHz | LVDS | 3.3V | ±50ppm | -40°C ~ 85°C |
531BC106M250DG | Skyworks | Si531 | XO | 106.25 MHz | LVDS | 3.3V | ±7ppm | -40°C ~ 85°C |
535AC100M000DG | Skyworks | Si535 | XO | 100 MHz | LVPECL | 3.3V | ±7ppm | -40°C ~ 85°C |
510CBA25M0000BAGR | Skyworks | Si510 | XO | 25 MHz | CMOS | 3.3V | ±25ppm | -40°C ~ 85°C |
510CBA100M000BAGR | Skyworks | Si510 | XO | 100 MHz | CMOS | 3.3V | ±25ppm | -40°C ~ 85°C |
510CBA125M000BAGR | Skyworks | Si510 | XO | 125 MHz | CMOS | 3.3V | ±25ppm | -40°C ~ 85°C |
510CBA100M000AAGR | Skyworks | Si510 | XO | 100 MHz | CMOS | 3.3V | ±25ppm | -40°C ~ 85°C |
510GBA25M0000BAG | Skyworks | Si510 | XO | 25 MHz | CMOS | 2.5V | ±25ppm | -40°C ~ 85°C |
510KBA125M000BAGR | Skyworks | Si510 | XO | 125 MHz | CMOS | 1.8V | ±25ppm | -40°C ~ 85°C |
511BBA106M250AAGR | Skyworks | Si511 | XO | 106.25 MHz | LVDS | 3.3V | ±25ppm | -40°C ~ 85°C |
510KBA28M6363BAG | Skyworks | Si510 | XO | 28.6363 MHz | CMOS | 1.8V | ±25ppm | -40°C ~ 85°C |
511BBA106M250BAG | Skyworks | Si511 | XO | 106.25 MHz | LVDS | 3.3V | ±25ppm | -40°C ~ 85°C |
510KCA25M0000BAG | Skyworks | Si510 | XO | 25 MHz | CMOS | 1.8V | ±20ppm | -40°C ~ 85°C |
510KCB25M0000BAG | Skyworks | Si510 | XO | 25 MHz | CMOS | 1.8V | ±20ppm | -40°C ~ 85°C |
510CCA25M0000BAG | Skyworks | Si510 | XO | 25 MHz | CMOS | 3.3V | ±20ppm | -40°C ~ 85°C |
510CCA100M000BAG | Skyworks | Si510 | XO | 100 MHz | CMOS | 3.3V | ±20ppm | -40°C ~ 85°C |
511ABA156M250BAG | Skyworks | Si511 | XO | 156.25 MHz | LVPECL | 3.3V | ±25ppm | -40°C ~ 85°C |
510CBA50M0000AAG | Skyworks | Si510 | XO | 50 MHz | CMOS | 3.3V | ±25ppm | -40°C ~ 85°C |
510BBA156M250AAG | Skyworks | Si510 | XO | 156.25 MHz | LVDS | 3.3V | ±25ppm | -40°C ~ 85°C |
511BBA148M500AAG | Skyworks | Si511 | XO | 148.5 MHz | LVDS | 3.3V | ±25ppm | -40°C ~ 85°C |
511BBA156M250AAG | Skyworks | Si511 | XO | 156.25 MHz | LVDS | 3.3V | ±25ppm | -40°C ~ 85°C |
510ABA156M250AAG | Skyworks | Si510 | XO | 156.25 MHz | LVPECL | 3.3V | ±25ppm | -40°C ~ 85°C |
公司名:深圳市金洛鑫電子有限公司
聯系人:茹紅青
手機:13510569637
電話:0755-27837162
QQ號:657116624
微信公眾號:CITIZENCRYSTAL
搜狐公眾號:晶振石英晶振NDK晶振
郵箱:jinluodz@163.com
地址:深圳市寶安區41區甲岸路19號
相關的產品 / Related Products
- EB13E2E2H-48.000MTR,小型貼裝晶振,Ecliptek日蝕晶振
- EB13E2E2H-48.000MTR,小型貼裝晶振,Ecliptek日蝕晶振,憑借品牌專屬的"高精度晶體微調技術",實現了48.000MHz的穩定頻率輸出,頻率精度嚴格控制在±10ppm以內,遠優于行業內部分同類產品±15ppm的精度標準,為高帶寬電子設備提供了可靠的"時鐘核心".在通信領域,它可適配5G基站晶振的基帶處理單元,光纖通信的信號轉發模塊,48MHz的高頻特性能支撐每秒數GB的數據流傳輸,減少信號同步延遲,降低數據丟包率,在工業自動化場景,為高速運動控制器,機器視覺檢測設備提供高頻時鐘信號.
- EC5645ETTTS-48.000MTR,日蝕有源晶振,2520晶體振蕩器
- EC5645ETTTS-48.000MTR,日蝕有源晶振,2520晶體振蕩器,從結構工藝來看,EC5645ETTTS-48.000MTR采用全密封金屬外殼封裝,相較于傳統陶瓷封裝,金屬外殼具備更優異的屏蔽性能,能有效隔絕外界電磁輻射與機械振動干擾,大幅降低信號失真風險,保障晶振長期穩定工作.內部搭載高精度石英晶體單元,經過Ecliptek獨家的精密切割與校準工藝處理,結合低噪聲振蕩電路設計,實現了低相位噪聲特性,在高頻工作狀態下仍能保持信號純凈度.同時,2520小型化封裝搭配標準化貼片引腳設計,完美適配自動化SMT貼裝工藝,提升生產效率的同時,減少人工組裝誤差,降低生產成本.
- EC2600TS-66.000MTR,Ecliptek晶振,LVCMOS輸出
- EC2600TS-66.000MTR,Ecliptek晶振,LVCMOS輸出,核心輸出頻率精準鎖定66.000MHz,能為電子設備提供高頻且穩定的時鐘信號,滿足高速數據處理與信號傳輸場景的時序需求.該晶振采用行業主流的LVCMOS(低壓互補金屬氧化物半導體)輸出接口,具備低電壓工作特性(典型工作電壓范圍3.3V±5%或2.5V±5%,適配不同設備供電需求),輸出電平與主流數字電路兼容,無需額外電平轉換模塊即可直接與MCU,FPGA等芯片對接,大幅簡化電路設計,同時LVCMOS輸出模式還能有效降低信號傳輸損耗,減少功耗,適配便攜式,低功耗電子設備的設計需求.此外,產品封裝規格符合小型化設計趨勢,可靈活融入高密度PCB板布局,適配對空間要求嚴苛的設備場景.
JLX-PD
金洛鑫產品系列
PRODUCT LINE
石英晶振
QuartzCrystal
- KDS晶振
- 愛普生晶振
- NDK晶振
- 京瓷晶振
- 精工晶振
- 西鐵城晶振
- 大河晶振
- 村田晶振
- 泰藝晶振
- TXC晶振
- 鴻星晶振
- 希華晶振
- 加高晶振
- 百利通亞陶晶振
- 嘉碩晶振
- 津綻晶振
- 瑪居禮晶振
- 富士晶振
- SMI晶振
- Lihom晶振
- SHINSUNG晶振
- NAKA晶振
- AKER晶振
- NKG晶振
- NJR晶振
- Sunny晶振
貼片晶振
SMDcrystal
- CTS晶振
- 微晶晶振
- 瑞康晶振
- 康納溫菲爾德晶振
- 高利奇晶振
- Jauch晶振
- AbraconCrystal晶振
- 維管晶振
- ECScrystal晶振
- 日蝕晶振
- 拉隆晶振
- 格林雷晶振
- SiTimeCrystal晶振
- IDTcrystal晶振
- PletronicsCrystal晶振
- StatekCrystal晶振
- AEK晶振
- AEL晶振
- Cardinal晶振
- Crystek晶振
- Euroquartz晶振
- Fox晶振
- Frequency晶振
- GEYER晶振
- KVG晶振
- ILSI晶振
- Mmdcomp晶振
- MtronPTI晶振
- QANTEK晶振
- QuartzCom晶振
- Quarztechnik晶振
- Suntsu晶振
- Transko晶振
- Wi2Wi晶振
- ITTI晶振
- Oscilent晶振
- ACT晶振
- Rubyquartz晶振
- MTI-milliren晶振
- PDI晶振
- IQD晶振
- Microchip晶振
- Silicon晶振
- Anderson晶振
- Fortiming晶振
- CORE晶振
- NIPPON晶振
- NIC晶振
- QVS晶振
- Bomar晶振
- Bliley晶振
- GED晶振
- FILTRONETICS晶振
- STD晶振
- Q-Tech晶振
- Wenzel晶振
- NEL晶振
- EM晶振
- PETERMANN晶振
- FCD-Tech晶振
- HEC晶振
- FMI晶振
- Macrobizes晶振
- AXTAL晶振
- ARGO晶振
- 瑞薩renesas晶振
- Skyworks晶振