Raltron晶振,49SMD晶振,AS-SMD晶振
頻率:3.200MHz~80.000MHz
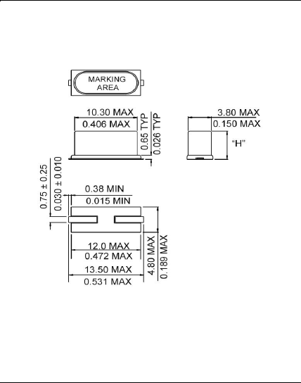
尺寸:13.5*4.8mm
Raltron通過全球獨立銷售網絡為全球客戶提供支持代表以及亞洲的幾個附屬辦事處,戰略地位于主要客戶附近和市場。從客戶產品開發過程的第一步深入技術支持在整個客戶的產品生命周期中繼續保持兩個應用工程團隊總部設在邁阿密,和中國深圳。這兩個地點也都有故障分析實驗室配備現代化的測試設備,使公司能夠實時響應客戶的需求,募捐。49S型假貼片晶體,壓電石英晶體諧振器,AS-SMD晶振
將石英晶振生產活動中的環境因素和環境影響的分析納入我們的決策中來,確保活動中每一分子的運作和發展都體現對污染預防方針的貫徹。RALTRON晶振遵守所有適用的有關環境、健康和安全的法律和法規以及RALTRON晶振集團自己的有關環境、工業衛生和安全的方針和承諾。
Raltron晶振,49SMD晶振,AS-SMD晶振.外觀完全使用金屬材料封裝的,產品本身采用全自動石英晶體檢測儀,以及跌落,漏氣等苛刻實驗.產品本身具有高穩定性,高可靠性的石英晶體諧振器,焊接方面支持表面貼裝,由于在49/S形晶體諧振器的底部裝了樹脂底座,就可作為產品電氣特性和高可靠性無受損的表面貼片型晶體諧振器使用,滿足無鉛焊接的回流溫度曲線要求.
拉隆石英晶振晶片清洗:清除貼片石英晶振晶片表面的污物、油物,以保證被銀電極。被復良好牢固。清洗間有很多化學試劑,酒精、異丙醇、硫酸、硝酸、清洗液同時還有電爐烤箱,在晶振生產過程中應注意人身安全和設備安全。
Raltron晶振 |
單位 |
AS-SMD晶振 |
石英晶振基本條件 |
標準頻率 |
f_nom |
3.200MHZ~80.000MHZ |
標準頻率 |
儲存溫度 |
T_stg |
-55°C ~ +125°C |
裸存 |
工作溫度 |
T_use |
-40°C ~ +85°C |
標準溫度 |
激勵功率 |
DL |
500μW Max. |
推薦:1μW ~ 100μW |
頻率公差 |
f_— l |
±30 × 10-6 (標準), |
+25°C 對于超出標準的規格說明, |
頻率溫度特征 |
f_tem |
±20 × 10-6/-20°C ~ +70°C |
超出標準的規格請聯系我們. |
負載電容 |
CL |
10pF~32pF |
不同負載電容要求,請聯系我們. |
串聯電阻(ESR) |
R1 |
如下表所示 |
-40°C — +85°C, DL = 100μW |
頻率老化 |
f_age |
±5 × 10-6 / year Max. |
+25°C,第一年 |
機械振動的影響
當晶振產品上存在任何給定沖擊或受到周期性機械振動時,比如:壓電揚聲器,壓電蜂鳴器,以及喇叭等,輸出頻率和幅度會受到影響。這種現象對通信器材通信質量有影響。盡管無源晶振產品設計可最小化這種機械振動的影響,我們推薦事先檢查并按照下列安裝指南進行操作。Raltron晶振,49SMD晶振,AS-SMD晶振
PCB設計指導
(1) 理想情況下,機械蜂鳴器應安裝在一個獨立于音叉晶體器件的PCB板上。如果您安裝在同一個PCB板上,最好使用余量或切割PCB。當應用于PCB板本身或PCB板體內部時,機械振動程度有所不同。建議遵照內部板體特性。
(2) 在設計時請參考相應的推薦封裝。
(3) 在使用焊料助焊劑時,按JIS標準(JIS C 60068-2-20/IEC 60,068-2-20).來使用。
(4) 請按JIS標準(JIS Z 3282, Pb 含量 1000ppm, 0.1wt% 或更少)來使用無鉛焊料。
存儲事項
(1)在更高或更低溫度或高濕度環境下長時間保存進口貼片晶振產品時,會影響頻率穩定性或焊接性。請在正常溫度和濕度環境下保存這些晶體產品,并在開封后盡可能進行安裝,以免長期儲藏。
正常溫度和濕度:
溫度:+15°C 至 +35°C,濕度 25 % RH 至 85 % RH(請參閱“測試點JIS C 60068-1 / IEC 60068-1的標準條件”章節內容)。
(2)請仔細處理內外盒與卷帶。外部壓力會導致卷帶受到損壞。49S型假貼片晶體,壓電石英晶體諧振器,AS-SMD晶振
耐焊性
加熱包裝材料至+150°C以上會破壞產品特性或損害石英諧振器。如需在+150°C以上焊接晶體產品,建議使用SMD晶體。在下列回流條件下,對晶體產品甚至SMD晶振使用更高溫度,會破壞產品特性。建議使用下列配置情況的回流條件。安裝這些產品之前,應檢查焊接溫度和時間。同時,在安裝條件更改的情況下,請再次進行檢查。如果需要焊接的晶體產品在下列配置條件下進行焊接,請聯系我們以獲取耐熱的相關信息。
1、振蕩電路
石英晶體諧振器是無源元件,因此受到電源電壓、環境溫度、電路的影響。
配置、電路常數和襯底布線模式等操作大致分為正常運行和
異常運行。因此,在振蕩電路的設計中,先決條件之一是如何確定振蕩電路。
晶體諧振器的振動安全穩定。只有在做出了這個決定之后,后續的項目,例如
討論了頻率精度、頻率變化、調制度、振蕩起始時間和振蕩波形。49S型假貼片晶體,壓電石英晶體諧振器,AS-SMD晶振
2。角色的分量與參考值
在振蕩電路的設計中,必須認識到個體的作用。
組件.在表1中,以例如振蕩電路為例來描述角色。
(圖1)使用一個通用的C-MOS IC(74hcuo4ap東芝)。
當反饋電阻(rf)未安裝在振蕩電路中時,如圖所示
表1,即使在振蕩功率作用下,諧振器也不會啟動振蕩。
電路。除非有適當值的電阻器連接,否則振蕩不會啟動。
晶體諧振腔的形式模式,但泛音振蕩或基波。
進口石英晶體振蕩開始代替。在基本諧振的情況下(MHz頻段)反饋電阻通常是1米?。在
泛音諧振器(兆赫頻帶)的情況下,值取決于IC和頻率特性,但在幾個范圍內。
K?-?幾十K。在音叉式諧振器的案例(kHz頻段),需要連接一個電阻10米或更?。
限制流入諧振器的電流,調節負電阻和勵磁。
電平,防止諧振腔的反常振蕩,抑制頻率波動。
C1、C2電容器調節負電阻、勵磁電平和振蕩頻率。還設置有
給定負載能力。
適當的控制電阻值(RD)取決于49SMD貼片晶振的類型,頻帶和設備的價值。
電容器(C1,C2)。精確值是通過測量振蕩電路的特性來確定的(包括
負電阻和驅動級)。AT切割諧振器(兆赫頻帶)的參考值在幾個范圍內。
?幾K?。音叉式諧振器(kHz頻段)的參考值在100 K?幾K?范圍。Raltron晶振,49SMD晶振,AS-SMD晶振
安裝電容器的適當值取決于諧振器的類型、頻帶、控制電阻器的值和
振蕩的順序,在3 pF的范圍內- 33 pF左右,僅供參考。
公司名:深圳市金洛鑫電子有限公司
聯系人:茹紅青
手機:13510569637
電話:0755-27837162
QQ號:657116624
微信公眾號:CITIZENCRYSTAL
搜狐公眾號:晶振石英晶振NDK晶振
郵箱:jinluodz@163.com
地址:深圳市寶安區41區甲岸路19號
相關的產品 / Related Products
- AE-M20-A-2-4085-2-18-30M0000,Anderson品牌,6G移動通訊晶振
AE-M20-A-2-4085-2-18-30M0000,Anderson品牌,6G移動通訊晶振,Anderson晶振,AE M20無源晶振,AE-M20-A-2-4085-2-18-30M0000晶振,石英晶體諧振器,HC-49S貼片晶振,進口晶振,兩腳貼片晶振,SMD晶振,頻率30MHz,負載18pF,頻率偏差20ppm,工作溫度-40~85°C,無鉛環保晶振,低成本晶振,高品質晶振,6G通訊設備晶振,尋呼機晶振,測試與測量設備晶振,移動電話晶振.
- ECLIPTEK晶振,進口無源晶振,E1SAA12-24.000M晶振
- 普通貼片石英晶振外觀使用金屬材料封裝的,具有高穩定性,高可靠性的石英晶體諧振器,晶振外觀本身使用金屬封裝,充分的密封性能,可確保其高可靠性,采用編帶包裝,外包裝采用朔膠盤,可在自動貼片機上對應自動貼裝等優勢.
- 鴻星晶振,假貼片晶振,E49B晶振
- 外觀完全使用金屬材料封裝的,產品本身采用全自動石英晶體檢測儀,以及跌落,漏氣等苛刻實驗.產品本身具有高穩定性,高可靠性的石英晶體諧振器,焊接方面支持表面貼裝,外觀采用金屬封裝,具有充分的密封性能,晶振本身能確保其高可靠性,采用編帶包裝,可對應產品應用到自動貼片機告訴安裝,滿足無鉛焊接的高溫回流溫度曲線要求.
JLX-PD
金洛鑫產品系列
PRODUCT LINE
石英晶振
QuartzCrystal
- KDS晶振
- 愛普生晶振
- NDK晶振
- 京瓷晶振
- 精工晶振
- 西鐵城晶振
- 大河晶振
- 村田晶振
- 泰藝晶振
- TXC晶振
- 鴻星晶振
- 希華晶振
- 加高晶振
- 百利通亞陶晶振
- 嘉碩晶振
- 津綻晶振
- 瑪居禮晶振
- 富士晶振
- SMI晶振
- Lihom晶振
- SHINSUNG晶振
- NAKA晶振
- AKER晶振
- NKG晶振
- NJR晶振
- Sunny晶振
貼片晶振
SMDcrystal
- CTS晶振
- 微晶晶振
- 瑞康晶振
- 康納溫菲爾德晶振
- 高利奇晶振
- Jauch晶振
- AbraconCrystal晶振
- 維管晶振
- ECScrystal晶振
- 日蝕晶振
- 拉隆晶振
- 格林雷晶振
- SiTimeCrystal晶振
- IDTcrystal晶振
- PletronicsCrystal晶振
- StatekCrystal晶振
- AEK晶振
- AEL晶振
- Cardinal晶振
- Crystek晶振
- Euroquartz晶振
- Fox晶振
- Frequency晶振
- GEYER晶振
- KVG晶振
- ILSI晶振
- Mmdcomp晶振
- MtronPTI晶振
- QANTEK晶振
- QuartzCom晶振
- Quarztechnik晶振
- Suntsu晶振
- Transko晶振
- Wi2Wi晶振
- ITTI晶振
- Oscilent晶振
- ACT晶振
- Rubyquartz晶振
- MTI-milliren晶振
- PDI晶振
- IQD晶振
- Microchip晶振
- Silicon晶振
- Anderson晶振
- Fortiming晶振
- CORE晶振
- NIPPON晶振
- NIC晶振
- QVS晶振
- Bomar晶振
- Bliley晶振
- GED晶振
- FILTRONETICS晶振
- STD晶振
- Q-Tech晶振
- Wenzel晶振
- NEL晶振
- EM晶振
- PETERMANN晶振
- FCD-Tech晶振
- HEC晶振
- FMI晶振
- Macrobizes晶振
- AXTAL晶振
- ARGO晶振
- 瑞薩renesas晶振
- Skyworks晶振