ECS晶振,石英晶振,CSM-7SSX晶振
頻率:3.57M~50MHZ
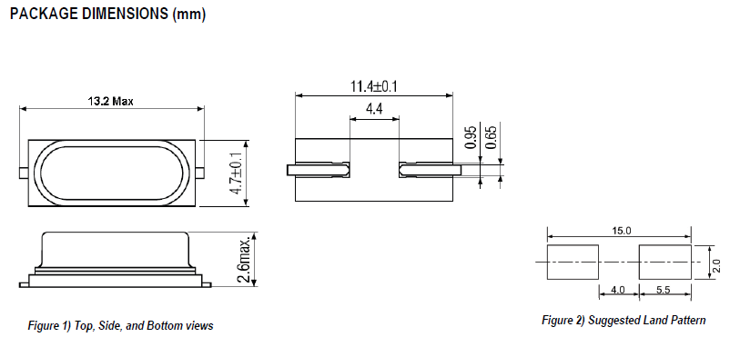
尺寸:13.2x4.7mm
ECS晶振,石英晶振,CSM-7SSX晶振,自1980年成立,在國際范圍內開展業務已近35年,自成立以來超過3.0億頻率控制元件的傳遞。ECScrystal晶振公司國際公司作為其唯一的使命,致力于提供最先進的創新頻率提供給世界的控制技術。我們的目標是建立客戶的需求和我們導致解決方案,使電子世界變得更美好的先進產品之間的橋梁。
ECS,Inc.為了實現這一愿景,ECS,Inc.遵循我們的愿景,ECS,Inc.堅持創新為中心的企業文化,旨在促進和發展,最大限度地提高了我們滿足不斷變化的全球電子市場需求的能力各無晶圓廠合作伙伴的創造力。
總部設在美國堪薩斯州的Olathe,ECS,Inc.我們有這個領先的解決方案。建立和維護世界上最先進的可靠和具有成本效益的產品。
CSM-7SSX貼片晶振本身體積小,超薄型石英晶體諧振器,特別適用于有目前高速發展的高端電子數碼產品,因為晶振本身小型化需求的市場領域
單位 |
CSM-7SSX晶振 |
石英晶振基本條件 |
|
標準頻率 |
f_nom |
3.57M~50MHZ |
標準頻率 |
儲存溫度 |
T_stg |
-40°C ~ +85°C |
裸存 |
工作溫度 |
T_use |
-40°C ~ +85°C |
標準溫度 |
激勵功率 |
DL |
200μW Max. |
推薦:1μW ~ 100μW |
頻率公差 |
f_— l |
±50 × 10-6 (標準), |
+25°C 對于超出標準的規格說明, |
頻率溫度特征 |
f_tem |
±30 × 10-6/-20°C ~ +70°C |
超出標準的規格請聯系我們. |
負載電容 |
CL |
7pF ~ ∞ |
不同負載要求,請聯系我們. |
串聯電阻(ESR) |
R1 |
如下表所示 |
-40°C — +85°C, DL = 100μW |
頻率老化 |
f_age |
±5 × 10-6 / year Max. |
+25°C,第一年 |
所有石英晶體振蕩器和實時時鐘模塊都以IC形式提供。
噪音
在電源或輸入端上施加執行級別(過高)的不相干(外部的)噪音,可能導致會引發功能失常或擊穿的閉門或雜散現象。
電源線路
電源的線路阻抗應盡可能低。
輸出負載
建議將輸出負載安裝在盡可能靠近石英晶體振蕩器的地方(在20 mm范圍之間)。
未用輸入終端的處理
未用針腳可能會引起噪聲響應,從而導致非正常工作。同時,當P通道和N通道都處于打開時,電源功率消耗也會增加;因此,請將未用輸入終端連接到VCC 或GND。
熱影響
重復的溫度巨大變化可能會降低受損害的有源晶振的產品特性,并導致塑料封裝里的線路擊穿。必須避免這種情況。
安裝方向
進口晶體振蕩器的不正確安裝會導致故障以及崩潰,因此安裝時,請檢查安裝方向是否正確。
通電
不建議從中間電位和/或極快速通電,否則會導致有源晶體無法產生振蕩和/或非正常工作。
晶振的軟焊溫度條件被設計成可以和普通電子零部件同時作業,但如果是超過規格以上的高溫,則頻率有可能發生較大的變化,因此請避免不 必要的高溫度。
有關SMD晶振產品的回流焊焊接溫度描述,請參照“表面貼裝型晶體產品的回流焊焊接溫度描述”。
清洗
關于一般清洗液的使用以及超聲波清洗沒有問題,但這僅僅是對單個石英晶體產品進行試驗所得的結果,因此請根據實際使用狀態進行確認。
由于音叉型晶體諧振器的頻率范圍和超聲波清洗機的清洗頻率很近,容易受到共振破壞,因此請盡可能避免超聲波清洗。
若要進行超聲波清洗,必須事先根據實際使用狀態進行確認。
撞擊
雖然石英晶體諧振器產品在設計階段已經考慮到其耐撞擊性,但如果掉到地板上或者受到過度的撞擊,以防萬一還是要檢查特性后再使用。ECS晶振,石英晶振,CSM-7SSX晶振
1. 驅動能力
驅動能力說明振蕩晶體單元所需電功率,其計算公式如下:
驅動能力 (P) = i2?Re
其中i表示經過晶體單元的電流,
Re表示晶體單元的有效電阻,而且 Re=R1(1+Co/CL)2。
2. 振蕩補償
除非在振蕩電路中提供足夠的負極電阻,否則會增加振蕩啟動時間,或不發生振蕩。為避免該情況發生,請在電路設計時提供足夠的負極電阻。
3. 負載電容
如果振蕩電路中負載電容的不同,可能導致振蕩頻率與設計頻率之間產生偏差,如下圖所示。電路中的負載電容的近似表達式 CL≒CG × CD / (CG+CD) + CS。
其中CS表示電路的雜散電容。
頻率和負載電容特征圖器
振蕩回路參數設置參考
公司名:深圳市金洛鑫電子有限公司
聯系人:茹紅青
手機:13510569637
電話:0755-27837162
QQ號:657116624
微信公眾號:CITIZENCRYSTAL
搜狐公眾號:晶振石英晶振NDK晶振
郵箱:jinluodz@163.com
地址:深圳市寶安區41區甲岸路19號
相關的產品 / Related Products
- EB13E2E2H-48.000MTR,小型貼裝晶振,Ecliptek日蝕晶振
- EB13E2E2H-48.000MTR,小型貼裝晶振,Ecliptek日蝕晶振,憑借品牌專屬的"高精度晶體微調技術",實現了48.000MHz的穩定頻率輸出,頻率精度嚴格控制在±10ppm以內,遠優于行業內部分同類產品±15ppm的精度標準,為高帶寬電子設備提供了可靠的"時鐘核心".在通信領域,它可適配5G基站晶振的基帶處理單元,光纖通信的信號轉發模塊,48MHz的高頻特性能支撐每秒數GB的數據流傳輸,減少信號同步延遲,降低數據丟包率,在工業自動化場景,為高速運動控制器,機器視覺檢測設備提供高頻時鐘信號.
- EC5645ETTTS-48.000MTR,日蝕有源晶振,2520晶體振蕩器
- EC5645ETTTS-48.000MTR,日蝕有源晶振,2520晶體振蕩器,從結構工藝來看,EC5645ETTTS-48.000MTR采用全密封金屬外殼封裝,相較于傳統陶瓷封裝,金屬外殼具備更優異的屏蔽性能,能有效隔絕外界電磁輻射與機械振動干擾,大幅降低信號失真風險,保障晶振長期穩定工作.內部搭載高精度石英晶體單元,經過Ecliptek獨家的精密切割與校準工藝處理,結合低噪聲振蕩電路設計,實現了低相位噪聲特性,在高頻工作狀態下仍能保持信號純凈度.同時,2520小型化封裝搭配標準化貼片引腳設計,完美適配自動化SMT貼裝工藝,提升生產效率的同時,減少人工組裝誤差,降低生產成本.
- EC2600TS-66.000MTR,Ecliptek晶振,LVCMOS輸出
- EC2600TS-66.000MTR,Ecliptek晶振,LVCMOS輸出,核心輸出頻率精準鎖定66.000MHz,能為電子設備提供高頻且穩定的時鐘信號,滿足高速數據處理與信號傳輸場景的時序需求.該晶振采用行業主流的LVCMOS(低壓互補金屬氧化物半導體)輸出接口,具備低電壓工作特性(典型工作電壓范圍3.3V±5%或2.5V±5%,適配不同設備供電需求),輸出電平與主流數字電路兼容,無需額外電平轉換模塊即可直接與MCU,FPGA等芯片對接,大幅簡化電路設計,同時LVCMOS輸出模式還能有效降低信號傳輸損耗,減少功耗,適配便攜式,低功耗電子設備的設計需求.此外,產品封裝規格符合小型化設計趨勢,可靈活融入高密度PCB板布局,適配對空間要求嚴苛的設備場景.
JLX-PD
金洛鑫產品系列
PRODUCT LINE
石英晶振
QuartzCrystal
- KDS晶振
- 愛普生晶振
- NDK晶振
- 京瓷晶振
- 精工晶振
- 西鐵城晶振
- 大河晶振
- 村田晶振
- 泰藝晶振
- TXC晶振
- 鴻星晶振
- 希華晶振
- 加高晶振
- 百利通亞陶晶振
- 嘉碩晶振
- 津綻晶振
- 瑪居禮晶振
- 富士晶振
- SMI晶振
- Lihom晶振
- SHINSUNG晶振
- NAKA晶振
- AKER晶振
- NKG晶振
- NJR晶振
- Sunny晶振
貼片晶振
SMDcrystal
- CTS晶振
- 微晶晶振
- 瑞康晶振
- 康納溫菲爾德晶振
- 高利奇晶振
- Jauch晶振
- AbraconCrystal晶振
- 維管晶振
- ECScrystal晶振
- 日蝕晶振
- 拉隆晶振
- 格林雷晶振
- SiTimeCrystal晶振
- IDTcrystal晶振
- PletronicsCrystal晶振
- StatekCrystal晶振
- AEK晶振
- AEL晶振
- Cardinal晶振
- Crystek晶振
- Euroquartz晶振
- Fox晶振
- Frequency晶振
- GEYER晶振
- KVG晶振
- ILSI晶振
- Mmdcomp晶振
- MtronPTI晶振
- QANTEK晶振
- QuartzCom晶振
- Quarztechnik晶振
- Suntsu晶振
- Transko晶振
- Wi2Wi晶振
- ITTI晶振
- Oscilent晶振
- ACT晶振
- Rubyquartz晶振
- MTI-milliren晶振
- PDI晶振
- IQD晶振
- Microchip晶振
- Silicon晶振
- Anderson晶振
- Fortiming晶振
- CORE晶振
- NIPPON晶振
- NIC晶振
- QVS晶振
- Bomar晶振
- Bliley晶振
- GED晶振
- FILTRONETICS晶振
- STD晶振
- Q-Tech晶振
- Wenzel晶振
- NEL晶振
- EM晶振
- PETERMANN晶振
- FCD-Tech晶振
- HEC晶振
- FMI晶振
- Macrobizes晶振
- AXTAL晶振
- ARGO晶振
- 瑞薩renesas晶振
- Skyworks晶振