京瓷晶振CT2520DB,CT2520DB26000C0FZZA1水晶振動子
頻率:26MHZ
尺寸:2.5*2.0mm
京瓷晶振CT2520DB,CT2520DB26000C0FZZA1水晶振動子,音叉晶體,石英晶體諧振器,SMD晶振,石英貼片晶振,型號CT2520DB,編碼CT2520DB26000C0FZZA1是一款金屬面貼片型的無源晶體,尺寸為2520mm.頻率26MHZ,工作溫度-25°C~85°C,產品性能優越,價格低廉,適合用于無線通信,移動設備等領域.
CT2520DB19200C0FLHAF石英晶振真空退火技術:晶振高真空退火處理是消除貼片晶振在加工過程中產生的應力及輕微表面缺陷.在PLC控制程序中輸入已設計好的溫度曲線,使真空室溫度跟隨設定曲線對晶體組件進行退火,石英晶振通過合理的真空退火技術可提高晶振主要參數的穩定性,以及提高石英晶振的年老化特性.京瓷晶振CT2520DB,CT2520DB26000C0FZZA1水晶振動子
京瓷晶振CT2520DB,CT2520DB26000C0FZZA1水晶振動子,音叉晶體,石英晶體諧振器,SMD晶振,石英貼片晶振,型號CT2520DB,編碼CT2520DB26000C0FZZA1是一款金屬面貼片型的無源晶體,尺寸為2520mm.頻率26MHZ,工作溫度-25°C~85°C,產品性能優越,價格低廉,適合用于無線通信,移動設備等領域.
CT2520DB19200C0FLHAF石英晶振真空退火技術:晶振高真空退火處理是消除貼片晶振在加工過程中產生的應力及輕微表面缺陷.在PLC控制程序中輸入已設計好的溫度曲線,使真空室溫度跟隨設定曲線對晶體組件進行退火,石英晶振通過合理的真空退火技術可提高晶振主要參數的穩定性,以及提高石英晶振的年老化特性.京瓷晶振CT2520DB,CT2520DB26000C0FZZA1水晶振動子
CT2520DB26000C0FZZA1晶振 參數表
京瓷晶振 |
單位 |
CT2520DB晶振 |
石英晶振基本條件 |
標準頻率 |
f_nom |
26MHZ |
標準頻率 |
儲存溫度 |
T_stg |
-40°C~+150°C |
裸存 |
工作溫度 |
T_use |
-25°C~+85°C |
標準溫度 |
激勵功率 |
DL |
10μW Max. |
推薦:10μW~100μW |
頻率公差 |
f_— l |
±15× 10-6 (標準) |
+25°C 對于超出標準的規格說明, |
頻率溫度特征 |
f_tem |
±15× 10-6/-30°C~+85°C |
超出標準的規格請聯系我們. |
負載電容 |
CL |
8pF |
不同負載電容要求,請聯系我們. |
串聯電阻(ESR) |
R1 |
如下表所示 |
-30°C~+85°C, DL = 100μW |
頻率老化 |
f_age |
±5× 10-6 / year Max. |
+25°C,第一年 |
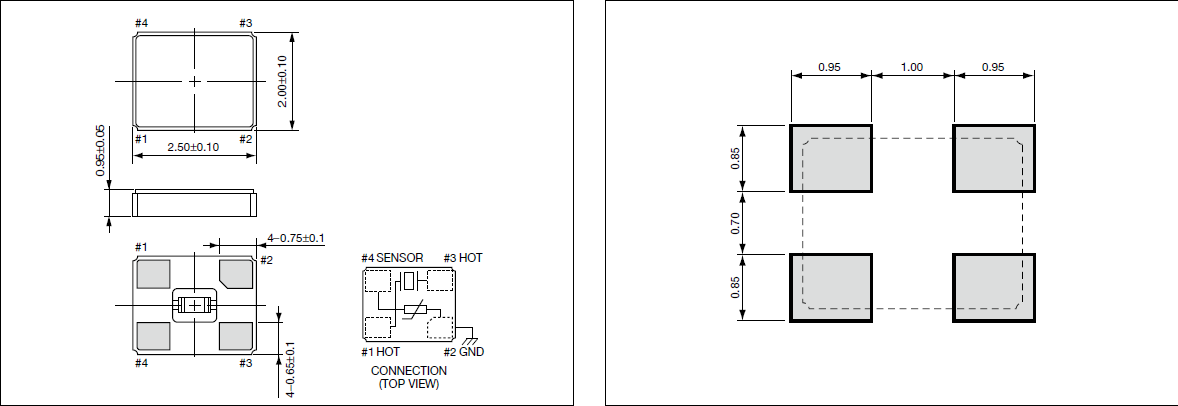
京瓷晶振CT2520DB,CT2520DB26000C0FZZA1水晶振動子 尺寸圖
清洗
關于一般清洗液的使用以及超聲波清洗沒有問題,但這僅僅是對單個石英晶體產品進行試驗所得的結果,因此請根據實際使用狀態進行確認。
由于音叉型晶體諧振器的頻率范圍和超聲波清洗機的清洗頻率很近,容易受到共振破壞,因此請盡可能避免超聲波清洗。
若要進行超聲波清洗,必須事先根據實際使用狀態進行確認。京瓷晶振CT2520DB,CT2520DB26000C0FZZA1水晶振動子,
撞擊
雖然貼片晶振產品在設計階段已經考慮到其耐撞擊性,但如果掉到地板上或者受到過度的撞擊,以防萬一還是要檢查特性后再使用。
裝載
SMD產品
SMD晶體產品支持自動貼裝,但還是請預先基于所使用的搭載機實施搭載測試,確認其對特性沒有影響。 在切斷工序等會導致基板發生翹曲的工序中,請注意避免翹曲影響到產品的特性以及軟焊。 基于超聲波焊接的貼裝以及加工會使得時鐘晶體產品(諧振器、振蕩器、濾波器)內部傳播過大的振動,有可能導致特性老化以及引起不振蕩,因此不推薦使 用。
引線類型產品
當引線彎折、成型以及貼裝到印制電路板時,請注意避免對基座玻璃部分施加壓力。否則有可能導致玻璃出現裂痕,從而引起性能劣化。
保管
保管在高溫多濕的場所可能會導致端子軟焊性的老化。
請在沒有直射陽光,不發生結露的場所保管。京瓷晶振CT2520DB,CT2520DB26000C0FZZA1水晶振動子,
Manufacturer Part Number原廠編碼 | Manufacturer廠家 | Series型號 | Type 系列 | Frequency | Operating Temperature 工作溫度 |
CT2520DB19200C0FLHAF | AVX Corp/Kyocera Corp | CT2520DB, Kyocera | MHz Crystal | 19.2MHz | -30°C ~ 85°C |
CT2520DB19200C0FLHAF | AVX Corp/Kyocera Corp | CT2520DB, Kyocera | MHz Crystal | 19.2MHz | -30°C ~ 85°C |
CT2520DB19200C0FLHAF | AVX Corp/Kyocera Corp | CT2520DB, Kyocera | MHz Crystal | 19.2MHz | -30°C ~ 85°C |
CT2520DB26000C0FZZA1 | AVX Corp/Kyocera Corp | CT2520DB, Kyocera | MHz Crystal | 26MHz | -25°C ~ 85°C |
CT2520DB26000C0FZZA1 | AVX Corp/Kyocera Corp | CT2520DB, Kyocera | MHz Crystal | 26MHz | -25°C ~ 85°C |
CT2520DB26000C0FZZA1 | AVX Corp/Kyocera Corp | CT2520DB, Kyocera | MHz Crystal | 26MHz | -25°C ~ 85°C |

公司名:深圳市金洛鑫電子有限公司
聯系人:茹紅青
手機:13510569637
電話:0755-27837162
QQ號:657116624
微信公眾號:CITIZENCRYSTAL
搜狐公眾號:晶振石英晶振NDK晶振
郵箱:jinluodz@163.com
地址:深圳市寶安區41區甲岸路19號
相關的產品 / Related Products
- KT2520K26000CGU30T,KYOCERA京瓷熱敏晶振,2520石英晶體振蕩器
- KT2520K26000CGU30T,KYOCERA京瓷熱敏晶振,2520石英晶體振蕩器,電子設備對頻率控制精度和環境適應性要求日益提升的背景下,KT2520K26000CGU30T作為日本京瓷旗下的一款熱敏晶振,同時也是2520熱敏晶振規格的石英晶體振蕩器,采用高純度,低缺陷的石英晶體作為諧振核心,通過精密切割與拋光工藝,使其具備穩定的物理諧振特性,為頻率精度提供了基礎保障。憑借京瓷在晶體器件領域的尖端技術與嚴謹制造工藝,在通信,工業控制等多個領域展現出卓越的性能,成為精密電子系統中不可或缺的關鍵元件
- KDS插件晶振,32ETJS070FJ,DT-26音叉晶體,32.768K時鐘晶振
- KDS插件晶振,32ETJS070FJ,DT-26音叉晶體,32.768K時鐘晶振,2*6mm 尺寸的圓柱晶振是市場上需求量非常大的兩種插件晶振,大部分的進口的晶振廠家都是依靠這些圓柱插件形的音叉晶體發家致富,并成為聞名全世界的品牌, 2.0x6.0晶振的用途廣泛,體積小,起振快,成本低,因為這些優勢很快便占據市場的大半份額,每年用掉的數量達 10 億顆以上。進口插件晶振32ETJS070FJ的頻率是32.768KHZ,為DT-26音叉晶體。該KDS插件晶振是一種圓柱形音叉晶體諧振器,為低功耗音叉晶體諧振器,不僅適用于手表,還適用于從工業設備到消費和家用電子產品中的時鐘功能的廣泛其他應用。
- XO32-32K768-B20B3,Fortiming晶振,3225晶振,6G移動無線電晶振
XO32-32K768-B20B3,Fortiming晶振,3225晶振,6G移動無線電晶振,歐美進口晶振,Fortiming晶振,XO32-32K768有源晶振,音叉晶體,XO32-32K768-B20B3晶振,CMOS晶振,3225mm貼片晶振,石英振蕩器,SMD晶體,頻率32.768KHz,電壓3.3V,頻率穩定性20ppm,工作溫度-40~85°C,高可靠性晶振,超小型晶振,無鉛環保晶振,6G移動無線電晶振,微處理器時鐘晶振,調制解調器晶振,數據中心晶振.
JLX-PD
金洛鑫產品系列
PRODUCT LINE
石英晶振
QuartzCrystal
- KDS晶振
- 愛普生晶振
- NDK晶振
- 京瓷晶振
- 精工晶振
- 西鐵城晶振
- 大河晶振
- 村田晶振
- 泰藝晶振
- TXC晶振
- 鴻星晶振
- 希華晶振
- 加高晶振
- 百利通亞陶晶振
- 嘉碩晶振
- 津綻晶振
- 瑪居禮晶振
- 富士晶振
- SMI晶振
- Lihom晶振
- SHINSUNG晶振
- NAKA晶振
- AKER晶振
- NKG晶振
- NJR晶振
- Sunny晶振
貼片晶振
SMDcrystal
- CTS晶振
- 微晶晶振
- 瑞康晶振
- 康納溫菲爾德晶振
- 高利奇晶振
- Jauch晶振
- AbraconCrystal晶振
- 維管晶振
- ECScrystal晶振
- 日蝕晶振
- 拉隆晶振
- 格林雷晶振
- SiTimeCrystal晶振
- IDTcrystal晶振
- PletronicsCrystal晶振
- StatekCrystal晶振
- AEK晶振
- AEL晶振
- Cardinal晶振
- Crystek晶振
- Euroquartz晶振
- Fox晶振
- Frequency晶振
- GEYER晶振
- KVG晶振
- ILSI晶振
- Mmdcomp晶振
- MtronPTI晶振
- QANTEK晶振
- QuartzCom晶振
- Quarztechnik晶振
- Suntsu晶振
- Transko晶振
- Wi2Wi晶振
- ITTI晶振
- Oscilent晶振
- ACT晶振
- Rubyquartz晶振
- MTI-milliren晶振
- PDI晶振
- IQD晶振
- Microchip晶振
- Silicon晶振
- Anderson晶振
- Fortiming晶振
- CORE晶振
- NIPPON晶振
- NIC晶振
- QVS晶振
- Bomar晶振
- Bliley晶振
- GED晶振
- FILTRONETICS晶振
- STD晶振
- Q-Tech晶振
- Wenzel晶振
- NEL晶振
- EM晶振
- PETERMANN晶振
- FCD-Tech晶振
- HEC晶振
- FMI晶振
- Macrobizes晶振
- AXTAL晶振
- ARGO晶振
- 瑞薩renesas晶振
- Skyworks晶振