Jauch晶振,石英晶振,HC-49/U晶振
頻率:1.8432MHZ~250MHZ
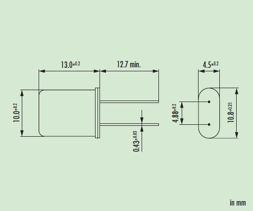
尺寸:10.8*4.5mm
Jauch晶振自覺遵守有關環境法律、法規,培養員工的環保意識和能力,持續改進環保績效,優先使用石英晶體諧振器,石英晶體環保型材料、設備及施工工藝,做到污染預防,最終創建具有環保、節能、適宜性特征的優質工程.
Jauch晶振環保事項:
1.為環境保護和降低成本開發綠色技術.
2.為協調發展,共同參與社會的環境、健康與安全的改善活動.
3.在石英晶體諧振器,石英晶體, 石英晶振,有源晶振,壓控晶振產品的整個生命周期內確定、評價和改進重要的環境、健康和安全因素.
4.建立和維護以國際協定和國家環境、健康與安全法律法規為基礎的企業內部標準.
5.為防止事故的發生和制造清潔的生產環境,開發生產過程的安全技術,明確緊急狀態反應的職責.
Jauch晶振,石英晶振,HC-49/U晶振,在極端嚴酷的環境條件下,晶振也能正常工作,具有穩定的起振特性,高耐熱性,耐熱循環性和耐振性等的高可靠性能,由于在49/U形晶體諧振器的底部裝了樹脂底座,就可作為產品電氣特性和高可靠性無受損的表面貼片型晶體諧振器使用,滿足無鉛焊接的回流溫度曲線要求.
石英晶振的切割設計:用不同角度對晶振的石英晶棒進行切割,可獲得不同特性的石英晶片,通常我們把晶振的石英晶片對晶棒坐標軸某種方位(角度)的切割稱為石英晶片的切型。不同切型的石英晶片,因其彈性性質,壓電性質,溫度性質不同,其電特性也各異,石英晶振目前主要使用的有 AT 切、BT 切。其它切型還有 CT、DT、GT、NT 等
Jauch晶振規格 |
單位 |
HC-49/U晶振頻率范圍 |
石英晶振基本條件 |
標準頻率 |
f_nom |
1.8432MHZ~250MHZ |
標準頻率 |
儲存溫度 |
T_stg |
-55°C ~ +125°C |
裸存 |
工作溫度 |
T_use |
-40°C ~ +85°C |
標準溫度 |
激勵功率 |
DL |
200μW Max. |
推薦:1μW ~ 100μW |
頻率公差 |
f_— l |
±50 × 10-6 (標準), |
+25°C 對于超出標準的規格說明,請聯系我們以便獲取相關的信息, http://m.mimatsu-osaka.com/ |
頻率溫度特征 |
f_tem |
±30 × 10-6/-20°C ~ +70°C |
超出標準的規格請聯系我們. |
負載電容 |
CL |
8pF ,10PF,12PF,20PF |
不同負載電容要求,請聯系我們. |
串聯電阻(ESR) |
R1 |
如下表所示 |
-40°C — +85°C, DL = 100μW |
頻率老化 |
f_age |
±5 × 10-6 / year Max. |
+25°C,第一年 |


抗沖擊
貼片晶振可能會在某些條件下受到損壞。例如從桌上跌落或在貼裝過程中受到沖擊。如果產品已受過沖擊請勿使用。
輻射
暴露于輻射環境會導致石英晶體性能受到損害,因此應避免照射。
化學制劑 / pH值環境
請勿在PH值范圍可能導致腐蝕或溶解進口晶振或包裝材料的環境下使用或儲藏這些產品。
粘合劑
請勿使用可能導致SMD晶振所用的封裝材料,終端,組件,玻璃材料以及氣相沉積材料等受到腐蝕的膠粘劑。 (比如,氯基膠粘劑可能腐蝕一個晶體單元的金屬“蓋”,從而破壞密封質量,降低性能。)
鹵化合物
請勿在鹵素氣體環境下使用無源晶振。即使少量的鹵素氣體,比如在空氣中的氯氣內或封裝所用金屬部件內,都可能產生腐蝕。同時,請勿使用任何會釋放出鹵素氣體的樹脂。
靜電
過高的靜電可能會損壞石英晶體諧振器,請注意抗靜電條件。請為容器和封裝材料選擇導電材料。在處理的時候,請使用電焊槍和無高電壓泄漏的測量電路,并進行接地操作.Jauch晶振,石英晶振,HC-49/U晶振
設計振蕩回路的注意事項
1. 驅動能力
驅動能力說明振蕩晶體單元所需電功率,其計算公式如下:
驅動能力 (P) = i2?Re
其中i表示經過晶體單元的電流,
Re表示晶體單元的有效電阻,而且 Re=R1(1+Co/CL)2。
2. 振蕩補償
除非在振蕩電路中提供足夠的負極電阻,否則會增加振蕩啟動時間,或不發生振蕩。為避免該情況發生,請在電路設計時提供足夠的負極電阻。
3. 負載電容
如果振蕩電路中負載電容的不同,可能導致振蕩頻率與設計頻率之間產生偏差,如下圖所示。電路中的負載電容的近似表達式 CL≒CG × CD / (CG+CD) + CS。
其中CS表示電路的雜散電容。
頻率和負載電容特征圖器
振蕩回路參數設置參考
公司名:深圳市金洛鑫電子有限公司
聯系人:茹紅青
手機:13510569637
電話:0755-27837162
QQ號:657116624
微信公眾號:CITIZENCRYSTAL
搜狐公眾號:晶振石英晶振NDK晶振
郵箱:jinluodz@163.com
地址:深圳市寶安區41區甲岸路19號
相關的產品 / Related Products
- 1TD125DGNS003,DT-26石英晶振,音叉型水晶振動子,圓柱插件晶振
- 1TD125DGNS003,DT-26石英晶振,音叉型水晶振動子,圓柱插件晶振,采用圓柱形金屬封裝晶振,引腳從外殼兩端引出,插件式設計使其適配多種安裝方式,不僅可直接焊接在PCB板上,還能通過支架固定在設備內部,適配復雜的設備結構布局.該晶振的金屬外殼具備良好的密封性與抗腐蝕性,能有效隔絕外界灰塵,濕氣及化學物質的侵蝕,同時外殼還能起到屏蔽電磁干擾的作用,確保頻率輸出穩定.
- 石英晶體振蕩器,GXO-U102F晶振,Golledge振蕩器,進口插件晶振,GXO-U102F/AI-20MHz
- 石英晶體振蕩器,GXO-U102F晶振,Golledge振蕩器,進口插件晶振,GXO-U102F/AI-20MHz GXO - U102F/AI - 20MHz 是 Golledge 的進口插件式石英晶體振蕩器。它能輸出精準的 20MHz 頻率,為電子設備提供穩定的時鐘信號。憑借石英材料的優勢,具備良好的頻率穩定性和抗干擾能力,可適應不同的工作環境。插件式設計便于安裝,適用于各類對安裝便捷性有要求的電子設備。廣泛應用于通信、工業自動化等領域,有助于提升設備的性能和可靠性。
- TST嘉碩晶體,無源晶振,TZ0756A晶振,石英插件晶振
- TST嘉碩晶體,無源晶振,TZ0756A晶振,石英插件晶振,臺灣晶振,石英晶體諧振器,高質量無源晶體,兩腳插件晶體,編碼為:TZ0756A,頻率:32.768 KHz,頻率公差為:±20ppm,負載電容為:12.5PF,工作溫度范圍:-30℃至+80℃,晶振體積尺寸為:6.0x2.0mm,高品質石英晶振,石英晶體,ROHS環保晶振,貼片晶振,引腳焊接型石英晶體元件,工廠倉庫長時間大量庫存常用頻點,主要應用于電視機頂盒晶振,游戲機晶振和家用常規電器數碼晶振等產品。
JLX-PD
金洛鑫產品系列
PRODUCT LINE
石英晶振
QuartzCrystal
- KDS晶振
- 愛普生晶振
- NDK晶振
- 京瓷晶振
- 精工晶振
- 西鐵城晶振
- 大河晶振
- 村田晶振
- 泰藝晶振
- TXC晶振
- 鴻星晶振
- 希華晶振
- 加高晶振
- 百利通亞陶晶振
- 嘉碩晶振
- 津綻晶振
- 瑪居禮晶振
- 富士晶振
- SMI晶振
- Lihom晶振
- SHINSUNG晶振
- NAKA晶振
- AKER晶振
- NKG晶振
- NJR晶振
- Sunny晶振
貼片晶振
SMDcrystal
- CTS晶振
- 微晶晶振
- 瑞康晶振
- 康納溫菲爾德晶振
- 高利奇晶振
- Jauch晶振
- AbraconCrystal晶振
- 維管晶振
- ECScrystal晶振
- 日蝕晶振
- 拉隆晶振
- 格林雷晶振
- SiTimeCrystal晶振
- IDTcrystal晶振
- PletronicsCrystal晶振
- StatekCrystal晶振
- AEK晶振
- AEL晶振
- Cardinal晶振
- Crystek晶振
- Euroquartz晶振
- Fox晶振
- Frequency晶振
- GEYER晶振
- KVG晶振
- ILSI晶振
- Mmdcomp晶振
- MtronPTI晶振
- QANTEK晶振
- QuartzCom晶振
- Quarztechnik晶振
- Suntsu晶振
- Transko晶振
- Wi2Wi晶振
- ITTI晶振
- Oscilent晶振
- ACT晶振
- Rubyquartz晶振
- MTI-milliren晶振
- PDI晶振
- IQD晶振
- Microchip晶振
- Silicon晶振
- Anderson晶振
- Fortiming晶振
- CORE晶振
- NIPPON晶振
- NIC晶振
- QVS晶振
- Bomar晶振
- Bliley晶振
- GED晶振
- FILTRONETICS晶振
- STD晶振
- Q-Tech晶振
- Wenzel晶振
- NEL晶振
- EM晶振
- PETERMANN晶振
- FCD-Tech晶振
- HEC晶振
- FMI晶振
- Macrobizes晶振
- AXTAL晶振
- ARGO晶振
- 瑞薩renesas晶振
- Skyworks晶振