SiTime晶振,有源晶振,SiT1533晶振
頻率:32.768KHz
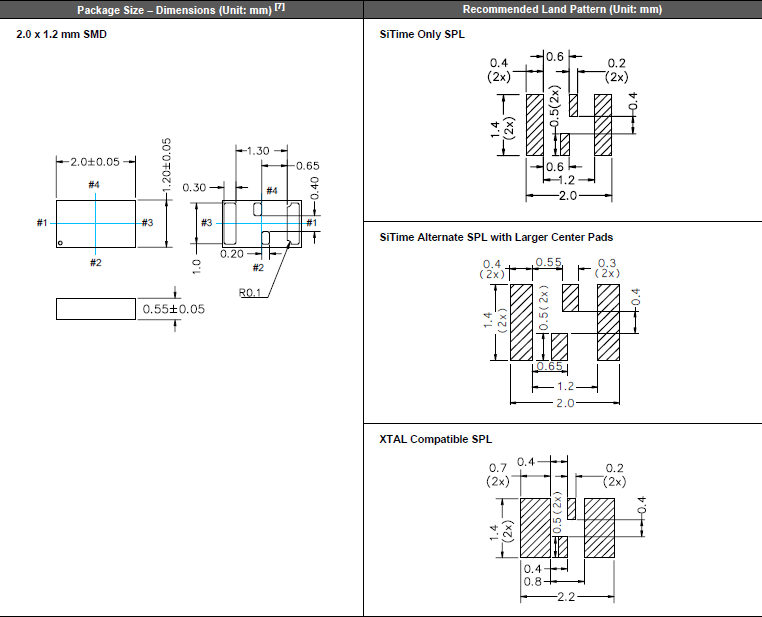
尺寸:2.0*1.2*0.55mm
SiTime擁有一個世界級的模擬工程團隊,該團隊提供了業內最高的性能和最靈活的石英晶體振蕩器。自2006年我們的第一次產品介紹以來,我們改進了頻率穩定性性能250次(以性能指標衡量),改進了抖動性能800次,改善了艾倫偏差3萬次,并改善了功耗100次,同時保持了我們的產品的靈活性和可靠性。計時產品提供了所有數字電子系統的心跳。在所有主要的市場中,有超過5000個客戶在200多個應用中使用SiTime產品。
SiTime正在為電子產品的小型化提供支持,它提供的時間解決方案是行業中最小的包裹——最小的1.5 x 0.8毫米——以及減少元件數量的獨特功能。我們的晶振通過將同一包中的多個組件的功能組合在一起,從而減少了董事會空間。SiTime改變了時機市場。在過去的幾十年里,石英晶體振蕩器、時鐘發生器和諧振器是電子器件中主要的參考計時元件。2.0*1.2mm晶體振蕩器,千赫茲有源晶體,SiT1533晶振
SiTime晶振,有源晶振,SiT1533晶振.產品本身有兩個輸出電壓選項。一種選擇是標準的LVCMOS輸出擺幅。第二個選項是NanoDrive減少擺動輸出。輸出擺幅是客戶特定的,在200 mV和800 mV之間編程。直流耦合應用,輸出VOH和VOL單獨編程,以滿足客戶的要求。 VOH編程范圍為100 mV增量,介于600 mV和1.225V之間。同樣,VOL編程范圍在350 mV和800 mV之間。例如; PMIC或MCU內部為1.8V邏輯兼容,需要1.2V VIH和0.6V VIL。
SiTime有源晶振高頻振蕩器使用IC與晶片設計匹配技術:有源晶振是高頻振蕩器研發及生產過程必須要解決的技術難題。在設計過程中除了要考慮石英晶體諧振器具有的電性外,還有石英晶體振蕩器的電極設計等其它的特殊性,必須考慮石英晶體振蕩器的供應電壓、起動電壓和產品上升時間、下降時間等相關參數。
SiTime晶振 |
標示 |
SiT1533晶振 |
晶振基本信息對照表 |
標準范圍 |
f0 |
32.768KHz |
|
電源電圧 |
Vcc |
+1.5V~3.63V |
|
輸出電流 |
Icc |
3.5 mA max. |
Vcc=3.3V |
頻率負載 |
L_CMOS |
15pF |
LVCMOS出力 |
標準頻率偏差 |
f_tol |
±20×10-6 max.
|
初期偏差、 |
輸出電壓 |
V |
VOH:Vcc×90% min.VOL:Vcc×10% max. |
|
對稱 |
SYM |
40%~60% |
50% Vcc |
標準時間 |
tr/tf |
12 ns max.(1.8~80MHz) |
10%Vcc~90%、L_CMOS=15pF |
抗沖擊
貼片晶振可能會在某些條件下受到損壞。例如從桌上跌落或在貼裝過程中受到沖擊。如果產品已受過沖擊請勿使用。
輻射
暴露于輻射環境會導致石英晶體性能受到損害,因此應避免照射。2.0*1.2mm晶體振蕩器,千赫茲有源晶體,SiT1533晶振
化學制劑 / pH值環境
請勿在PH值范圍可能導致腐蝕或溶解進口晶體振蕩器或包裝材料的環境下使用或儲藏這些產品。
粘合劑
請勿使用可能導致SMD晶振所用的封裝材料,終端,組件,玻璃材料以及氣相沉積材料等受到腐蝕的膠粘劑。 (比如,氯基膠粘劑可能腐蝕一個晶體單元的金屬“蓋”,從而破壞密封質量,降低性能。)
鹵化合物
請勿在鹵素氣體環境下使用有源晶振。即使少量的鹵素氣體,比如在空氣中的氯氣內或封裝所用金屬部件內,都可能產生腐蝕。同時,請勿使用任何會釋放出鹵素氣體的樹脂。SiTime晶振,有源晶振,SiT1533晶振
靜電
過高的靜電可能會損壞美國有源晶振,請注意抗靜電條件。請為容器和封裝材料選擇導電材料。在處理的時候,請使用電焊槍和無高電壓泄漏的測量電路,并進行接地操作。
振蕩電路的檢查方法
振蕩頻率測量
必須盡可能地測量安裝在電路上的2012貼片晶振振蕩頻率的真實值,
使用正確的方法。在振蕩頻率的測量中,通常使用探頭和頻率計數器。然而,
我們的目標是通過限制測量工具對振蕩電路本身的影響來測量。SiTime晶振,有源晶振,SiT1533晶振
有三種頻率測量模式,如下面的圖所示(圖)。2, 3和4)。最
精確的測量方法是通過使用任何能夠精確測量的頻譜分析儀來實現的。
接觸振蕩電路。
探針不影響圖2,因為緩沖器的輸出是通過輸入振蕩電路的輸出來測量的。
逆變器進入下一階段。
探針不影響圖3,因為在IC上測量緩沖器輸出(1/1、1/2等)。
圖4示出了來自ic的無緩沖器輸出接收的情況,由此通過小尺寸測量來最小化探針的效果。
輸出點之間的電容(3 pF以下XTAL終端IC)和探針。
然而,應該注意到,使用這種方法32.768K石英晶體振蕩器輸出波形較小,測量不能依賴于
即使示波器能檢查振蕩波形,頻率計數器的靈敏度也可以。在這種情況下,使用放大器來測量。2.0*1.2mm晶體振蕩器,千赫茲有源晶體,SiT1533晶振
此外,OSC晶振振蕩頻率與測量點不同。
1。測量緩沖輸出
2。振蕩級輸出測量
三.通過電容器測量振蕩級輸出
圖5示出以上1-3個測量點和所測量的
除緩沖器輸出外,振蕩頻率較低。
公司名:深圳市金洛鑫電子有限公司
聯系人:茹紅青
手機:13510569637
電話:0755-27837162
QQ號:657116624
微信公眾號:CITIZENCRYSTAL
搜狐公眾號:晶振石英晶振NDK晶振
郵箱:jinluodz@163.com
地址:深圳市寶安區41區甲岸路19號
相關的產品 / Related Products
- RTC晶振,SM33K進口晶振,PLETRONICS晶振,SM3344KE-32.768K,2520有源貼片
- RTC晶振,SM33K進口晶振,PLETRONICS晶振,SM3344KE-32.768K,2520有源貼片 SM3344KE - 32.768K作為Pletronics的進口SM33K系列晶振,是RTC應用領域的佼佼者。采用2520有源貼片封裝,體積小巧,便于在電路板上進行高密度安裝,滿足現代電子設備小型化、集成化的發展需求。其以32.768kHz的標準頻率,為實時時鐘系統提供精準的計時信號。運用先進的制造技術和優質材料,在 - 40℃至 + 85℃的寬溫度范圍內,頻率偏差能被嚴格控制在極小范圍,展現出卓越的頻率穩定性。無論是在智能穿戴設備中記錄運動數據的時間戳,還是在物聯網傳感器節點中確保數據采集的時間同步,SM3344KE - 32.768K都能憑借其穩定的性能,成為保障設備精準計時的先鋒。
- SiTime晶振,32.768K有源晶振,SiT1532晶振
- 有源晶振,是只晶體本身起振需要外部電壓供應,起振后可直接驅動CMOS集成電路,產品本身已實現與薄型IC(TSSOP封裝,TVSOP封裝)同樣的1mm厚度,斷開時的消費電流是15 µA以下,編帶包裝方式可對應自動搭載及IR回流焊接(無鉛對應)產品有幾種電壓供選1.8V,2.5V,3V3.3V,5V,以應對不同IC產品需要.
JLX-PD
金洛鑫產品系列
PRODUCT LINE
石英晶振
QuartzCrystal
- KDS晶振
- 愛普生晶振
- NDK晶振
- 京瓷晶振
- 精工晶振
- 西鐵城晶振
- 大河晶振
- 村田晶振
- 泰藝晶振
- TXC晶振
- 鴻星晶振
- 希華晶振
- 加高晶振
- 百利通亞陶晶振
- 嘉碩晶振
- 津綻晶振
- 瑪居禮晶振
- 富士晶振
- SMI晶振
- Lihom晶振
- SHINSUNG晶振
- NAKA晶振
- AKER晶振
- NKG晶振
- NJR晶振
- Sunny晶振
貼片晶振
SMDcrystal
- CTS晶振
- 微晶晶振
- 瑞康晶振
- 康納溫菲爾德晶振
- 高利奇晶振
- Jauch晶振
- AbraconCrystal晶振
- 維管晶振
- ECScrystal晶振
- 日蝕晶振
- 拉隆晶振
- 格林雷晶振
- SiTimeCrystal晶振
- IDTcrystal晶振
- PletronicsCrystal晶振
- StatekCrystal晶振
- AEK晶振
- AEL晶振
- Cardinal晶振
- Crystek晶振
- Euroquartz晶振
- Fox晶振
- Frequency晶振
- GEYER晶振
- KVG晶振
- ILSI晶振
- Mmdcomp晶振
- MtronPTI晶振
- QANTEK晶振
- QuartzCom晶振
- Quarztechnik晶振
- Suntsu晶振
- Transko晶振
- Wi2Wi晶振
- ITTI晶振
- Oscilent晶振
- ACT晶振
- Rubyquartz晶振
- MTI-milliren晶振
- PDI晶振
- IQD晶振
- Microchip晶振
- Silicon晶振
- Anderson晶振
- Fortiming晶振
- CORE晶振
- NIPPON晶振
- NIC晶振
- QVS晶振
- Bomar晶振
- Bliley晶振
- GED晶振
- FILTRONETICS晶振
- STD晶振
- Q-Tech晶振
- Wenzel晶振
- NEL晶振
- EM晶振
- PETERMANN晶振
- FCD-Tech晶振
- HEC晶振
- FMI晶振
- Macrobizes晶振
- AXTAL晶振
- ARGO晶振
- 瑞薩renesas晶振
- Skyworks晶振