Greenray晶振,石英晶體振蕩器,T1170晶振
頻率:10.000MHz~300MHz
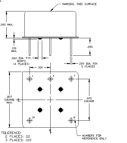
尺寸:20.5mm*20.5mm
Greenray格林雷工業生產貼片晶體振蕩器,有源晶振,SMT、thru - hole、混合和定制產品.所生產的石英晶體振蕩器根據性能可以分為:普通晶體振蕩器(SPXO)、壓控晶體振蕩器(VCXO)、溫補晶振(TCXO)、恒溫晶體振蕩器(OCXO)等.確保所生產晶振,貼片石英晶振的質量,都會經過廣泛的電氣以及環境測試。
Greenray格林雷晶振集團為幾個主要市場提供石英晶振,貼片晶振,壓電石英晶體元器件、壓電石英晶體、有源晶體等頻率控制解決方案.在軍事市場上,我們為智能彈藥、導彈制導、移動接收器和雷達系統提供產品.
Greenray晶振,石英晶體振蕩器,T1170晶振.20.5*20.5mm體積的溫補晶體振蕩器,電源電壓的低電耗型,編帶包裝方式,可對應自動高速貼片機自動焊接,及IR回流焊接(無鉛對應),為無鉛產品,超小型,質地輕.產品被廣泛應用到集成電路,程控交換系統,無線發射基站.
石英晶振曲率半徑加工技術:石英晶振晶片在球筒倒邊加工時應用到的加工技術,主要是研究滿足不同曲率半徑石英晶振晶片設計可使用的方法。如:1、是指球面加工曲率半徑的工藝設計( a、球面的余弦磨量; b、球面的均勻磨量;c、球面加工曲率半徑的配合)2、在加工時球面測量標準的設計原則(曲率半徑公式的計算)。大尺寸溫補晶體振蕩器,DIP型有源晶振,T1170晶振
型號 |
T1170晶振 (TCXO)20.5*20.5mm |
|
輸出頻率范圍 |
10~300MHz |
|
標準頻率 |
16.3676MHz/16.367667MHz/16.368MHz/16.369MHz/16.8MHz/26MHz/33.6MHz |
|
電源電壓范圍 |
+3.3V |
|
電源電壓(Vcc) |
+1.8V/+2.6V/+2.8V/+3.0V/+3.3V |
|
消耗電流 |
+1.5mA max.(f≦26MHz)/+2.0mA max.(26<f≦52MHz) |
|
待機時電流 |
- |
|
輸出電壓 |
0.8Vp-p min.(f≦52MHz)(削峰正弦波/DC-coupled) |
|
輸出負載 |
10kΩ//10pF |
|
頻率穩定度 |
常溫偏差 |
±1.5×10-6 max.(After 2 reflows) |
溫度特性 |
±0.5×10-6,±2.5×10-6 max./-30?+85℃ |
|
電源電壓特性 |
±0.2×10-6 max.(VCC ±5%) |
|
負載變化特性 |
±0.2×10-6 max.(10kΩ//10pF±10%) |
|
長期變化 |
±1.0×10-6 max./year |
|
頻率控制 |
控制靈敏度 |
- |
頻率控制極性 |
- |
|
啟動時間 |
2.0ms max. |
抗沖擊
插件有源晶振可能會在某些條件下受到損壞。例如從桌上跌落或在貼裝過程中受到沖擊。如果產品已受過沖擊請勿使用。
輻射
暴露于輻射環境會導致石英晶體性能受到損害,因此應避免照射。大尺寸溫補晶體振蕩器,DIP型有源晶振,T1170晶振
化學制劑 / pH值環境
請勿在PH值范圍可能導致腐蝕或溶解TCXO晶振或包裝材料的環境下使用或儲藏這些產品。
粘合劑
請勿使用可能導致SMD晶振所用的封裝材料,終端,組件,玻璃材料以及氣相沉積材料等受到腐蝕的膠粘劑。 (比如,氯基膠粘劑可能腐蝕一個晶體單元的金屬“蓋”,從而破壞密封質量,降低性能。)
鹵化合物
請勿在鹵素氣體環境下使用無源晶振。即使少量的鹵素氣體,比如在空氣中的氯氣內或封裝所用金屬部件內,都可能產生腐蝕。同時,請勿使用任何會釋放出鹵素氣體的樹脂。Greenray晶振,石英晶體振蕩器,T1170晶振
靜電
過高的靜電可能會損壞定位導航晶振,請注意抗靜電條件。請為容器和封裝材料選擇導電材料。在處理的時候,請使用電焊槍和無高電壓泄漏的測量電路,并進行接地操作。
1、振蕩電路
石英晶體諧振器是無源元件,因此受到電源電壓、環境溫度、電路的影響。
配置、電路常數和襯底布線模式等操作大致分為正常運行和
異常運行。因此,在振蕩電路的設計中,先決條件之一是如何確定振蕩電路。
晶體諧振器的振動安全穩定。只有在做出了這個決定之后,后續的項目,例如
討論了頻率精度、頻率變化、調制度、振蕩起始時間和振蕩波形。Greenray晶振,石英晶體振蕩器,T1170晶振
2。角色的分量與參考值
在振蕩電路的設計中,必須認識到個體的作用。
組件.在表1中,以例如振蕩電路為例來描述角色。
(圖1)使用一個通用的C-MOS IC(74hcuo4ap東芝)。
當反饋電阻(rf)未安裝在振蕩電路中時,如圖所示
表1,即使在振蕩功率作用下,諧振器也不會啟動振蕩。
電路。除非有適當值的電阻器連接,否則振蕩不會啟動。
晶體諧振腔的形式模式,但泛音振蕩或基波。
振蕩開始代替。在基本諧振的情況下(MHz頻段)反饋電阻通常是1米?。在
泛音諧振器(兆赫頻帶)的情況下,值取決于IC和頻率特性,但在幾個范圍內。
K?-?幾十K。在音叉晶體的案例(kHz頻段),需要連接一個電阻10米或更?。
限制流入諧振器的電流,調節負電阻和勵磁。
電平,防止諧振腔的反常振蕩,抑制頻率波動。
C1、C2電容器調節負電阻、勵磁電平和振蕩頻率。還設置有
給定負載能力。大尺寸溫補晶體振蕩器,DIP型有源晶振,T1170晶振
適當的控制電阻值(RD)取決于無源晶振的類型,頻帶和設備的價值。
電容器(C1,C2)。精確值是通過測量振蕩電路的特性來確定的(包括
負電阻和驅動級)。AT切割諧振器(兆赫頻帶)的參考值在幾個范圍內。
?幾K?。音叉式諧振器(kHz頻段)的參考值在100 K?幾K?范圍。
安裝電容器的適當值取決于諧振器的類型、頻帶、控制電阻器的值和
振蕩的順序,在3 pF的范圍內- 33 pF左右,僅供參考。
公司名:深圳市金洛鑫電子有限公司
聯系人:茹紅青
手機:13510569637
電話:0755-27837162
QQ號:657116624
微信公眾號:CITIZENCRYSTAL
搜狐公眾號:晶振石英晶振NDK晶振
郵箱:jinluodz@163.com
地址:深圳市寶安區41區甲岸路19號
相關的產品 / Related Products
- Greenray晶振,美國進口晶振,T1220晶振
- 溫補晶振(TCXO)溫補石英晶體振蕩器基本解決方案,PECL輸出,輸出頻率60 MHz到200 MHz之間,出色的低相位噪聲和抖動.
JLX-PD
金洛鑫產品系列
PRODUCT LINE
石英晶振
QuartzCrystal
- KDS晶振
- 愛普生晶振
- NDK晶振
- 京瓷晶振
- 精工晶振
- 西鐵城晶振
- 大河晶振
- 村田晶振
- 泰藝晶振
- TXC晶振
- 鴻星晶振
- 希華晶振
- 加高晶振
- 百利通亞陶晶振
- 嘉碩晶振
- 津綻晶振
- 瑪居禮晶振
- 富士晶振
- SMI晶振
- Lihom晶振
- SHINSUNG晶振
- NAKA晶振
- AKER晶振
- NKG晶振
- NJR晶振
- Sunny晶振
貼片晶振
SMDcrystal
- CTS晶振
- 微晶晶振
- 瑞康晶振
- 康納溫菲爾德晶振
- 高利奇晶振
- Jauch晶振
- AbraconCrystal晶振
- 維管晶振
- ECScrystal晶振
- 日蝕晶振
- 拉隆晶振
- 格林雷晶振
- SiTimeCrystal晶振
- IDTcrystal晶振
- PletronicsCrystal晶振
- StatekCrystal晶振
- AEK晶振
- AEL晶振
- Cardinal晶振
- Crystek晶振
- Euroquartz晶振
- Fox晶振
- Frequency晶振
- GEYER晶振
- KVG晶振
- ILSI晶振
- Mmdcomp晶振
- MtronPTI晶振
- QANTEK晶振
- QuartzCom晶振
- Quarztechnik晶振
- Suntsu晶振
- Transko晶振
- Wi2Wi晶振
- ITTI晶振
- Oscilent晶振
- ACT晶振
- Rubyquartz晶振
- MTI-milliren晶振
- PDI晶振
- IQD晶振
- Microchip晶振
- Silicon晶振
- Anderson晶振
- Fortiming晶振
- CORE晶振
- NIPPON晶振
- NIC晶振
- QVS晶振
- Bomar晶振
- Bliley晶振
- GED晶振
- FILTRONETICS晶振
- STD晶振
- Q-Tech晶振
- Wenzel晶振
- NEL晶振
- EM晶振
- PETERMANN晶振
- FCD-Tech晶振
- HEC晶振
- FMI晶振
- Macrobizes晶振
- AXTAL晶振
- ARGO晶振
- 瑞薩renesas晶振
- Skyworks晶振