精工晶振,VT-150-F晶振,1.5*5晶振
頻率:32.768KHZ
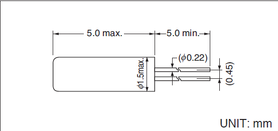
尺寸:1.5*5.0mm
型 號:VT-150-F晶振
封 裝:DIP插件封裝
負載電容:7PF,9PF,12.5pf
工作溫度:-10~+60度
儲存溫度:-30~+70度
SEIKO是日本晶振制造商Seiko Instruments Inc.的縮寫,也成為SII。SII擁有世界上頂端的機械技術。除了是世界上著名的石英手表廠商,同時也生產電腦打印機。做電子元器件,在石英振子這一方面,SII也是做的非常之出色的,目前,能夠與日本精工晶振全球同等級競爭的,只有日本大真空KDS。
精工晶振的代理商都知道精工常用的頻率都是32.768KHZ的,因此精工晶振通常也被稱為精工表晶。SEIKO生產的石英晶振型號并不是很多,但是質量絕對可以和日產任何一個大品牌“媲美”。目前精工SEIKO已被列入全球晶振行業十強企業名單中。2012年精工SEIKO集團在國內投資1530萬美元建設生產基地。更大的彌補了國內市場對高端晶體的需求。
精工晶振,VT-150-F晶振,1.5*5晶振
精工晶振 |
符號 |
VT-150-F晶振 |
精工晶振基本信息對照表 |
Crystal標準頻率 |
f_nom |
32.768kHz |
|
儲存溫度 |
T_stg |
-30°C — +70°C |
裸存 |
工作溫度 |
T_use |
-10°C — +60°C |
精工晶振特定的溫度 |
激勵功率 |
DL |
0.5μW (1.0μW Max.) |
如你有最大激勵功率為1.0μW需求,請聯系我們金洛電子 |
精度 |
f_— l |
±20 ppm |
如有需要更高的精度可以特定. |
拐點溫度 |
Ti |
+25°C ±5°C |
|
負載電容 |
CL |
7pF, 9pF, 12.5pF |
可按客戶需求指定 |
串聯電阻(ESR) |
R1 |
70kΩ Max. |
70kΩ — 45kΩ |
頻率老化 |
f_age |
±3 ×10-6 / year Max. |
+25°C,第一年 |
晶體無信號輸出
1-1.
請測量信號輸出的兩個終端水晶使用示波器或頻率計數器。如果沒有信號輸出,請按照步驟1到步驟1 - 4執行檢查。如果有信號輸出,終端的石英晶體(Xout),但在沒有信號輸出(新),請檢查后的水晶step1-5步驟1 - 6.
1-2.
請卸載水晶和測試頻率和負載電容是否他們振動,滿足你的規格使用專業測試機。你也可以寄給你的供應商為你測試它。
1-3.
如果有下列情況發生,水晶不振動,其負載電容不匹配你的規范,或者是一個電流頻率和你的目標之間的巨大差距的頻率,請把水晶給你的供應商進行質量分析。如果頻率和負載電容滿足您的規格,我們需要進行等效電路測試
1-4.
等效電路的測試
1-4-1.
一般來說,微處理器來自科耳皮茲電路的振蕩電路顯示如下:
Cd和Cg外部負載各,已建成的晶片組。(請參考規格的芯片集)
射頻是反饋電阻with200KΩmΩ~ 1。這是建在芯片設置一般。
Rd限制與470Ω~ 1 kΩ電阻器。這種抵抗是不常見的電路只有電路所需電源。
1-4-2。
穩定的振蕩電路需要負電阻,其值應至少五次的水晶阻力。它可以寫成| - r | > 5 Rr。
例如,要獲得一個穩定的振蕩電路,集成電路的負電阻的值必須低于-200Ω當晶體電阻的值40Ω。
1-4-3。
“負阻”是衡量標準來評估一個振蕩電路的質量。在某些情況下,如老化、熱變化,電壓變化,等。,電路可能不振蕩如果“Q”的價值很低。因此,它是非常重要的衡量負阻(- r)遵循下面的說明:
(1)連接電阻(R)的水晶系列
(2)調整R的值從一開始就指出的停止點振蕩。
(3)在振動測量R的值。
(4)你將能夠獲得負電阻的值,| - R R + | = Rr,Rr =水晶阻力。
注:連接電路的寄生電容會影響測量值。
1-4-4。
如果晶體的參數是正常的,但它不是工作穩步在振蕩電路中,我們將不得不找出集成電路的電阻值是否過低驅動電路。如果是這樣的話,我們有三種方法來改善這樣的情況:
降低外部電容的值(Cd和Cg),和采取其他水晶與降低負載電容(CL)。
采用水晶阻力較低(Rr)。
使用不平等的設計值的Cd和Cg。我們可以提高Cd的負載電容(Xout)和降低負載電容的Cg(鑫)提高輸出的波形振幅鑫將用于后端電路。
1 - 5。
當有信號輸出Xout但不新,它代表的電極后,后端電路的功耗是極其巨大的.我們可以添加一個緩沖的輸出電路之間及其后電極驅動端電路.
1 - 6。
除了上面提到的1 - 5的方法,你也可以按照三種方法在步驟1-4-4。
請接觸晶體或IC制造商的現場應用工程師為進一步援助,如果你的問題不能解決。
在技術文獻及產品應用上, 石英晶體共振子的共振有三組不同定義及特性的共振頻率.
(1) 串聯諧振頻率及并聯諧振頻率 ( fs , fp )
(series resonance frequency and parallel resonance frequency)
(2) 諧振頻率及反諧振頻率 ( fr , fa )
(resonance frequency and anti-resonance frequency)
(3) 最大電導頻率及最小電導頻率 ( fm , fn )
(maximum admittance frequency minimum admittance frequency).
這三組頻率的導納(admittance)圖, 可以從(圖九)復數坐標清楚的看到
Fig.9﹞ Complex Admittance of Resonators
串聯偕振頻率及并聯偕振頻率, fs and fp ,是分別由電導(real part of the admittance)最大和阻抗(real part of the electric input impedance)最大時的頻率.
諧振頻率及反諧振頻率, fr and fa , 分別是當電導等于零(純電阻特性)的二個頻率. 在這個時候, fr 的阻抗為 1 / Rr 而fa 的阻抗為 1/ Ra.
在評估共振時的等效線路時, 串聯諧振頻率及并聯諧振頻率, fs and fp , 是最重要的二個頻率參數. 對于串聯諧振頻率及并聯諧振頻率( fs and fp )二者的關系, 我們可以用下列公式來表達:
公式中的C1及 L1 分別是(圖七)中的動態電容(motional capacitance)及動態電感(motional conductance); Co 是靜態電容(shunt capacitance).
公司名:深圳市金洛鑫電子有限公司
聯系人:茹紅青
手機:13510569637
電話:0755-27837162
QQ號:657116624
微信公眾號:CITIZENCRYSTAL
搜狐公眾號:晶振石英晶振NDK晶振
郵箱:jinluodz@163.com
地址:深圳市寶安區41區甲岸路19號
相關的產品 / Related Products
- FKT26EIBM0.032768晶振,福克斯206插件晶體,FKT26智能家具晶振
- FKT26EIBM0.032768晶振,??怂?06插件晶體,FKT26智能家具晶振,??怂咕д瘢?/span>FKT26晶振,FKT26EIBM0.032768晶振,32.768KHz晶振,石英晶體,206晶振,二腳晶振,DIP晶振,插件晶振,圓柱晶振,小型晶振,低成本晶振,移動網絡晶振,無源晶振,智能手表晶振,音叉晶振,環保晶振,微型晶振,無人機晶振,高精度晶振,美國FOX晶振,無源晶振,低損耗晶振,環保無鉛晶振,超小型晶振,進口晶振。
- FKT15環保晶振,FOX圓柱晶體,FKT15EIHD0.032768學習用品晶振
- FKT15環保晶振,FOX圓柱晶體,FKT15EIHD0.032768學習用品晶振,美國FOX晶振,無源晶振,FKT15晶振,32.768KHz晶振,石英晶體,FKT15EIHD0.032768晶振,105晶振,二腳晶振,插件晶振,圓柱晶振,小型晶振,低成本晶振,移動網絡晶振,無源晶振,智能手表晶振,音叉晶振,環保晶振,微型晶振,無人機晶振,高精度晶振,低損耗晶振,環保無鉛晶振,超小型晶振,DIP晶振,進口晶振,兒童用品晶振,學習用品晶振。
- FOX陶瓷晶體,FKFSR高品質音叉晶振,FKFSREIHM0.032768-T3無人機晶振
- FKFSREIBM0.032768-T3環保晶體,??怂?2.768K晶振,FKFSR耐高溫晶振,美國FOX晶振,無源晶振,工業設備晶振,移動通訊晶振,6G信號放大器晶振,移動網絡晶振,時鐘晶振,無源晶振,貼片晶振,智能手表晶振,音叉晶振,環保晶振,FKFSR晶振,石英晶體,FKFSREIBM0.032768-T3晶振,32.768KHz晶振,微型晶振,8038晶振,無人機晶振,高精度晶振,四腳晶振,低損耗晶振,美國晶振,環保無鉛晶振,超小型晶振,SMD晶振,進口晶振。
JLX-PD
金洛鑫產品系列
PRODUCT LINE
石英晶振
QuartzCrystal
- KDS晶振
- 愛普生晶振
- NDK晶振
- 京瓷晶振
- 精工晶振
- 西鐵城晶振
- 大河晶振
- 村田晶振
- 泰藝晶振
- TXC晶振
- 鴻星晶振
- 希華晶振
- 加高晶振
- 百利通亞陶晶振
- 嘉碩晶振
- 津綻晶振
- 瑪居禮晶振
- 富士晶振
- SMI晶振
- Lihom晶振
- SHINSUNG晶振
- NAKA晶振
- AKER晶振
- NKG晶振
- NJR晶振
- Sunny晶振
貼片晶振
SMDcrystal
- CTS晶振
- 微晶晶振
- 瑞康晶振
- 康納溫菲爾德晶振
- 高利奇晶振
- Jauch晶振
- AbraconCrystal晶振
- 維管晶振
- ECScrystal晶振
- 日蝕晶振
- 拉隆晶振
- 格林雷晶振
- SiTimeCrystal晶振
- IDTcrystal晶振
- PletronicsCrystal晶振
- StatekCrystal晶振
- AEK晶振
- AEL晶振
- Cardinal晶振
- Crystek晶振
- Euroquartz晶振
- Fox晶振
- Frequency晶振
- GEYER晶振
- KVG晶振
- ILSI晶振
- Mmdcomp晶振
- MtronPTI晶振
- QANTEK晶振
- QuartzCom晶振
- Quarztechnik晶振
- Suntsu晶振
- Transko晶振
- Wi2Wi晶振
- ITTI晶振
- Oscilent晶振
- ACT晶振
- Rubyquartz晶振
- MTI-milliren晶振
- PDI晶振
- IQD晶振
- Microchip晶振
- Silicon晶振
- Anderson晶振
- Fortiming晶振
- CORE晶振
- NIPPON晶振
- NIC晶振
- QVS晶振
- Bomar晶振
- Bliley晶振
- GED晶振
- FILTRONETICS晶振
- STD晶振
- Q-Tech晶振
- Wenzel晶振
- NEL晶振
- EM晶振
- PETERMANN晶振
- FCD-Tech晶振
- HEC晶振
- FMI晶振
- Macrobizes晶振
- AXTAL晶振
- ARGO晶振
- 瑞薩renesas晶振
- Skyworks晶振