Vectron晶振,進口晶振,VXA7晶振
頻率:1.8432MHz~150.000MHz
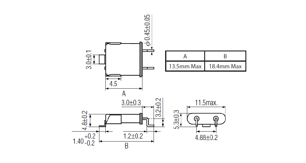
尺寸:13.2*11.2mm
Vectron國際公司總部位于美國北部的哈德遜,在北美、歐洲和亞洲設有運營設施和銷售辦事處,它的技術能力在有源晶振和濾光器設計方面都很有名。公司提供的創新和能力反映了更高頻率、低成本設計和小型化的趨勢,以及更先進的技術集成解決方案。
產品主要有石英晶體諧振器,石英晶體振蕩器。晶振主要特點有:高穩定性(年老化率小于+/- 5PPM),高Q(品質因數)值,低功耗,小體積,易于使用。石英晶體諧振器與石英晶體振蕩器產品主要應用于通訊器材,電腦,導航,航空航天,家用電器,電子數碼等領域。一般石英晶體諧振器的頻率可從數百赫茲至幾百兆赫茲。
Vectron晶振,進口晶振,VXA7晶振.彎腳插件型石英晶振最適合用于比較低端的電子產品,即使在汽車電子領域中也能使產品高可靠性的使用.并且可用于安全控制裝置的CPU時鐘信號發生源部分,好比時鐘單片機上的石英晶振,在極端嚴酷的環境條件下,晶振也能正常工作,具有穩定的起振特性,高耐熱性,耐熱循環性和耐振性等的高可靠性能.
維管晶振厚度單位: ?全自動石英晶振晶片清洗技術:采用高壓噴淋清洗,兆聲振動的原理,一個全自動、清洗過程由PLC控制,由傳輸裝置、噴淋清洗段、噴淋漂洗段、風力吹水段等, 操作自動化程度高,除上下工件需要人工外,其余全部由設備自動完成。根據需要,對速度,溫度,時間等參數進行調整,使之最大限度的滿足工藝需要。能最大限度除去晶片污染物,并防止人工污染。MHz彎腳DIP晶體,插件型壓電晶體諧振器,VXA7晶振
VECTRON晶振 |
單位 |
VXA7晶振 |
石英晶振基本條件 |
標準頻率 |
f_nom |
1.8432MHZ~150.000MHZ |
標準頻率 |
儲存溫度 |
T_stg |
-40°C ~ +90°C |
裸存 |
工作溫度 |
T_use |
-40°C ~ +85°C |
標準溫度 |
激勵功率 |
DL |
10-100μW Max. |
推薦:1μW ~ 100μW |
頻率公差 |
f_— l |
±10 × 10-6 (標準), |
+25°C 對于超出標準的規格說明, |
頻率溫度特征 |
f_tem |
±10 × 10-6/-40°C ~ +85°C |
超出標準的規格請聯系我們. |
負載電容 |
CL |
6pF~32PF |
不同負載電容要求,請聯系我們. |
串聯電阻(ESR) |
R1 |
如下表所示 |
-40°C — +85°C, DL = 100μW |
頻率老化 |
f_age |
±5 × 10-6 / year Max. |
+25°C,第一年 |
清洗
關于一般清洗液的使用以及超聲波清洗沒有問題,但這僅僅是對單個13.2*11.2特殊插件晶振產品進行試驗所得的結果,因此請根據實際使用狀態進行確認。
由于音叉型晶體諧振器的頻率范圍和超聲波清洗機的清洗頻率很近,容易受到共振破壞,因此請盡可能避免超聲波清洗。MHz彎腳DIP晶體,插件型壓電晶體諧振器,VXA7晶振
若要進行超聲波清洗,必須事先根據實際使用狀態進行確認。
撞擊
雖然彎腳插件晶振產品在設計階段已經考慮到其耐撞擊性,但如果掉到地板上或者受到過度的撞擊,以防萬一還是要檢查特性后再使用。
裝載
<SMD產品>
SMD晶體產品支持自動貼裝,但還是請預先基于所使用的搭載機實施搭載測試,確認其對特性沒有影響。 在切斷工序等會導致基板發生翹曲的工序中,請注意避免翹曲影響到產品的特性以及軟焊。 基于超聲波焊接的貼裝以及加工會使得MHZ彎腳晶體產品(諧振器、振蕩器、濾波器)內部傳播過大的振動,有可能導致特性老化以及引起不振蕩,因此不推薦使 用。
<引線類型產品>
當引線彎折、成型以及貼裝到印制電路板時,請注意避免對基座玻璃部分施加壓力。否則有可能導致玻璃出現裂痕,從而引起性能劣化。Vectron晶振,進口晶振,VXA7晶振
輸出波形與測試電路
1.時序表
2.測試條件
(1)電源電壓
超過 150µs,直到電壓級別從 0 %達到 90 % 。
電源電壓阻抗低于電阻 2Ω。MHz彎腳DIP晶體,插件型壓電晶體諧振器,VXA7晶振
(2)其他
輸入電容低于 15 pF
5倍頻率范圍或更多測量頻率。
鉛探頭應盡可能短。
測量頻率時,探頭阻抗將高于 1MΩ。當波形經過振蕩器的放大器時,可同時進行測量。
(3)其他
CL包含探頭電容。
應使用帶有小的內部阻抗的電表。
使用微型插槽,以觀察波形。
(請勿使用該探頭的長接地線。)Vectron晶振,進口晶振,VXA7晶振
3.測試電路
公司名:深圳市金洛鑫電子有限公司
聯系人:茹紅青
手機:13510569637
電話:0755-27837162
QQ號:657116624
微信公眾號:CITIZENCRYSTAL
搜狐公眾號:晶振石英晶振NDK晶振
郵箱:jinluodz@163.com
地址:深圳市寶安區41區甲岸路19號
相關的產品 / Related Products
- 瑞康晶振,石英晶振,HC-51/U晶振,進口歐美晶振
- 引腳焊接型石英晶體元件.工廠倉庫長時間大量庫存常用頻點,高精度的頻率和晶振本身更低的等效串聯電阻,常用負載電容.49/S石英晶振,因插件型晶體成本更低和更高的批量生產能力,主要應用于電視,機頂盒,LCDM和游戲機家用常規電器數碼產品等的最佳選擇.符合RoHS/無鉛.
- Abracon晶振,石英晶振,AB26TRQ晶振,插件晶振
- 32.768KHz千赫子時鐘晶體,其本身主要應用在時鐘控制產品,或者是控制模塊,主要給時鐘芯片提供一個基準信號,其主要各項功能還得看應用何種產品。本產品具有小型,薄型,輕型的貼片晶振表面型音叉式石英晶體諧振器,產品具有優良的耐熱性,耐環境特性,可發揮晶振優良的電氣特性,符合RoHS規定,滿足無鉛焊接的高溫回流溫度曲線要求,金屬外殼的封裝使得產品在封裝時能發揮比陶瓷諧振器外殼更好的耐沖擊性.
- 西鐵城晶振,石英晶振,CMR310T晶振,音叉石英晶體
- 引腳焊接型石英晶體元件.工廠倉庫長時間大量庫存常用頻點,.高精度的頻率和晶振本身更低的等效串聯電阻.常用負載電容,石英晶振,因插件型鏡頭成本更低和更高的批量生產能力.主要應用于電視,機頂盒,LCDM和游戲機家用常規電器數碼產品等的最佳選擇.符合RoHS/無鉛.
JLX-PD
金洛鑫產品系列
PRODUCT LINE
石英晶振
QuartzCrystal
- KDS晶振
- 愛普生晶振
- NDK晶振
- 京瓷晶振
- 精工晶振
- 西鐵城晶振
- 大河晶振
- 村田晶振
- 泰藝晶振
- TXC晶振
- 鴻星晶振
- 希華晶振
- 加高晶振
- 百利通亞陶晶振
- 嘉碩晶振
- 津綻晶振
- 瑪居禮晶振
- 富士晶振
- SMI晶振
- Lihom晶振
- SHINSUNG晶振
- NAKA晶振
- AKER晶振
- NKG晶振
- NJR晶振
- Sunny晶振
貼片晶振
SMDcrystal
- CTS晶振
- 微晶晶振
- 瑞康晶振
- 康納溫菲爾德晶振
- 高利奇晶振
- Jauch晶振
- AbraconCrystal晶振
- 維管晶振
- ECScrystal晶振
- 日蝕晶振
- 拉隆晶振
- 格林雷晶振
- SiTimeCrystal晶振
- IDTcrystal晶振
- PletronicsCrystal晶振
- StatekCrystal晶振
- AEK晶振
- AEL晶振
- Cardinal晶振
- Crystek晶振
- Euroquartz晶振
- Fox晶振
- Frequency晶振
- GEYER晶振
- KVG晶振
- ILSI晶振
- Mmdcomp晶振
- MtronPTI晶振
- QANTEK晶振
- QuartzCom晶振
- Quarztechnik晶振
- Suntsu晶振
- Transko晶振
- Wi2Wi晶振
- ITTI晶振
- Oscilent晶振
- ACT晶振
- Rubyquartz晶振
- MTI-milliren晶振
- PDI晶振
- IQD晶振
- Microchip晶振
- Silicon晶振
- Anderson晶振
- Fortiming晶振
- CORE晶振
- NIPPON晶振
- NIC晶振
- QVS晶振
- Bomar晶振
- Bliley晶振
- GED晶振
- FILTRONETICS晶振
- STD晶振
- Q-Tech晶振
- Wenzel晶振
- NEL晶振
- EM晶振
- PETERMANN晶振
- FCD-Tech晶振
- HEC晶振
- FMI晶振
- Macrobizes晶振
- AXTAL晶振
- ARGO晶振
- 瑞薩renesas晶振
- Skyworks晶振