EPSON晶體,壓控晶振,VG-4232CA晶振,X1G0039210002晶振
頻率:60~80MHZ
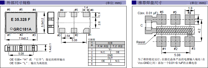
尺寸:7.0*5.0mm
精工愛普生株式會社(總經理:碓井 稔,以下簡稱為“愛普生”)在2008年正式和深圳市金洛鑫電子有限公司簽訂在中國區域深圳總代理簽訂合作協議,在同年期間蘇州愛普生水晶宣布將高端的貼片振蕩器生產重心轉移到中國蘇州愛普生工廠生產,并且成立研發中心.因為智能手機,以及GPS衛星導航的普及,有源晶振得到迅速的發展,并且從早期5X7mm的體積演變到今天2520mm體積的溫補晶振,壓控晶振,以下是有源石英晶體振蕩器部分產品型號,愛普生料號等.
愛普生貼片式石英晶振振蕩器,低電壓啟動功率,并且有多種電壓供選擇,比如有1.8V,2.5V,3.3V,3.8V,5V等,產品被廣泛應用于,平板筆記本,GPS系統,光纖通道,千兆以太網,串行ATA,串行連接SCSI,PCI-Express的SDH / SONET發射基站等領域.符合RoHS/無鉛.
EPSON晶體,壓控晶振,VG-4232CA晶振,X1G0039210002晶振,石英晶振真空退火技術:晶振高真空退火處理是消除貼片晶振在加工過程中產生的應力及輕微表面缺陷。在PLC控制程序中輸入已設計好的溫度曲線,使真空室溫度跟隨設定曲線對晶體組件進行退火,石英晶振通過合理的真空退火技術可提高晶振主要參數的穩定性,以及提高石英晶振的年老化特性。
貼片石英晶體,體積小,焊接可采用自動貼片系統,產品本身小型,表面貼片晶振,特別適用于有小型化要求的電子數碼產品市場領域,因產品小型,薄型優勢,耐環境特性,包括耐高溫,耐沖擊性等,在移動通信領域得到了廣泛的應用,晶振產品本身可發揮優良的電氣特性,滿足無鉛焊接的高溫回流溫度曲線要求.
愛普生晶振規格 |
VG-4232CA晶振 |
驅動輸出 |
CMOS |
常用頻率 |
60~80MHZ |
工作電壓 |
+3.3V(代表値) |
靜態電流 |
(工作時)+1.2 mA max. (F≦15MHz) +1.4 mA max. (15<F≦26MHz) |
TCXO輸出電壓 |
0.8Vp-p min. |
TCXO輸出負載 |
(10kΩ//10pF) ±10% |
常規溫度偏差 |
±20/30/50×10-6 (After 2 reflows) |
頻率溫度偏差 |
±30×10-6/-40℃~+85℃ |
±50×10-6/-55℃~+125℃(オプション) |
愛普生日產有源壓控兆赫茲晶振型號列表:
|
Frequency | Frequency stability |
|
Output Wave | Frequency Control Range |
|
Frequency tolerance |
|
I[Max] | ||||||||||||||||||||||||||||||||||||||||||||
VG-4512CA | 156.250000 MHz | JGCT | 7.00 x 5.00 x 1.60 mm | LV-PECL | N/A ppm | -20 to 70 °C | +/-50 ppm | Included in frequency tolerance | ≤ 60 mA | ||||||||||||||||||||||||||||||||||||||||||||
VG-4512CA | 157.286400 MHz | GGCT | 7.00 x 5.00 x 1.60 mm | LV-PECL | N/A ppm | -40 to 85 °C | +/-50 ppm | Included in frequency tolerance | ≤ 60 mA | ||||||||||||||||||||||||||||||||||||||||||||
VG-4512CA | 153.600000 MHz | GGCT | 7.00 x 5.00 x 1.60 mm | LV-PECL | N/A ppm | -40 to 85 °C | +/-50 ppm | Included in frequency tolerance | ≤ 60 mA | ||||||||||||||||||||||||||||||||||||||||||||
VG-4501CA. | 122.880000 MHz | GGCT | 7.00 x 5.00 x 1.60 mm | CMOS | N/A ppm | -40 to 85 °C | +/-50 ppm | Included absolute pull range | ≤ 25 mA | ||||||||||||||||||||||||||||||||||||||||||||
VG-4232CA | 61.440000 MHz | GGC-T | 7.00 x 5.00 x 1.40 mm | CMOS | N/A ppm | -40 to 85 °C | +/-50 ppm | Included in frequency tolerance | ≤ 35 mA | ||||||||||||||||||||||||||||||||||||||||||||
VG-4513CA | 122.880000 MHz | GGCT | 7.00 x 5.00 x 1.60 mm | LV-PECL | N/A ppm | -40 to 85 °C | +/-50 ppm | Included in frequency tolerance | ≤ 65 mA | ||||||||||||||||||||||||||||||||||||||||||||
VG-4513CA | 122.880000 MHz | GFCT | 7.00 x 5.00 x 1.60 mm | LV-PECL | N/A ppm | -40 to 85 °C | +/-50 ppm | Included in frequency tolerance | ≤ 65 mA |
愛普生日產有源壓控兆赫茲晶振編碼列表:
|
Model | Frequency | Frequency stability |
|
Output Wave | Frequency Control Range |
|
Frequency tolerance |
|
I[Max] | ||||||||||||||||||||||||||||||||||||||||||||||||
X1G0036910115 | VG-4512CA | 156.250000 MHz | JGCT | 7.00 x 5.00 x 1.60 mm | LV-PECL | N/A ppm | -20 to 70 °C | +/-50 ppm | Included in frequency tolerance | ≤ 60 mA | ||||||||||||||||||||||||||||||||||||||||||||||||
X1G0036910116 | VG-4512CA | 157.286400 MHz | GGCT | 7.00 x 5.00 x 1.60 mm | LV-PECL | N/A ppm | -40 to 85 °C | +/-50 ppm | Included in frequency tolerance | ≤ 60 mA | ||||||||||||||||||||||||||||||||||||||||||||||||
X1G0036910134 | VG-4512CA | 153.600000 MHz | GGCT | 7.00 x 5.00 x 1.60 mm | LV-PECL | N/A ppm | -40 to 85 °C | +/-50 ppm | Included in frequency tolerance | ≤ 60 mA | ||||||||||||||||||||||||||||||||||||||||||||||||
X1G0037710002 | VG-4501CA. | 122.880000 MHz | GGCT | 7.00 x 5.00 x 1.60 mm | CMOS | N/A ppm | -40 to 85 °C | +/-50 ppm | Included absolute pull range | ≤ 25 mA | ||||||||||||||||||||||||||||||||||||||||||||||||
X1G0039210002 | VG-4232CA | 61.440000 MHz | GGC-T | 7.00 x 5.00 x 1.40 mm | CMOS | N/A ppm | -40 to 85 °C | +/-50 ppm | Included in frequency tolerance | ≤ 35 mA | ||||||||||||||||||||||||||||||||||||||||||||||||
X1G0041411001 | VG-4513CA | 122.880000 MHz | GGCT | 7.00 x 5.00 x 1.60 mm | LV-PECL | N/A ppm | -40 to 85 °C | +/-50 ppm | Included in frequency tolerance | ≤ 65 mA | ||||||||||||||||||||||||||||||||||||||||||||||||
X1G0041411002 | VG-4513CA | 122.880000 MHz | GFCT | 7.00 x 5.00 x 1.60 mm | LV-PECL | N/A ppm | -40 to 85 °C | +/-50 ppm | Included in frequency tolerance | ≤ 65 mA |
如何正確的使用有源晶振電處理:將電源連接到進口晶振指定的終端,確定正確的極性這目錄所示。注意電源的正負電極逆轉或者連接到一個終端以,以為外的指定一個產品部分內的石英晶振,假如損壞那將不會工作。此外如果外接電源電壓高于晶振的規定電壓值,就很可能會導致石英晶振產品損壞。所以外接電壓很重要,一定要確保使用正確的額定電壓的振蕩,但如果電壓低于額定的電壓值部分產品將會不起振,或者起不到最佳精度。EPSON晶體,壓控晶振,VG-4232CA晶振,X1G0039210002晶振
有源晶振的負載電容與阻抗:負載電容與阻抗貼片晶振設置一個規定的負載阻抗值。當一個值除了規定的一個設置為負載阻抗輸出頻率和輸出電平不會滿足時,指定的值這可能會導致問題例如:失真的輸出波形。特別是設置電抗,根據規范的負載阻抗。輸出頻率和輸出電平,當測量輸出頻率或輸出水平,晶體振蕩器調整的輸入阻抗,測量儀器的負載阻抗晶體振蕩器。當輸入阻抗的測量儀器,不同的負載阻抗的晶體振蕩器,測量輸出頻率或輸出水平高,阻抗阻抗測量可以忽略。
機械處理:當7050晶振發生外置撞擊時,任何石英晶體振蕩器在遭到外部撞擊時,或者產品不小心跌落時,強烈的外置撞擊都將會導致晶振損壞,或者頻率不穩定現象。不執行任何強烈的沖擊石英晶體振蕩器。如果一個強大的沖擊已經給振蕩器確保在使用前檢查其特點。
晶體諧振腔的形式模式,但泛音振蕩或基波。振蕩開始代替。在基本諧振的情況下(MHz頻段)反饋電阻通常是1米?。在泛音諧振器(兆赫頻帶)的情況下,值取決于IC和頻率特性,但在幾個范圍內。K?-?幾十K。在音叉式諧振器的案例(kHz頻段),需要連接一個電阻10米或更?。限制流入諧振器的電流,調節負電阻和勵磁。電平,防止諧振腔的反常振蕩,抑制頻率波動。C1、C2電容器調節負電阻、勵磁電平和振蕩頻率。還設置有給定負載能力。EPSON晶體,壓控晶振,VG-4232CA晶振,X1G0039210002晶振
適當的控制電阻值(RD)取決于諧振器的類型,頻帶和設備的價值。電容器(C1,C2)。精確值是通過智能手機有源晶振測量振蕩電路的特性來確定的(包括負電阻和驅動級)。AT切割諧振器(兆赫頻帶)的參考值在幾個范圍內。?幾K?。音叉式諧振器(kHz頻段)的參考值在100 K?幾K?范圍。安裝電容器的適當值取決于諧振器的類型、頻帶、控制電阻器的值和振蕩的順序,在3 pF的范圍內- 33 pF左右,僅供參考。
如果振蕩電路中負載電容的不同,可能導致金屬面晶振振蕩頻率與設計頻率之間產生偏差,如下圖所示。電路中的負載電容的近似表達式 CL≒CG × CD / (CG+CD) + CS。其中CS表示電路的雜散電容。
此外,振蕩頻率與測量點不同。1。測量緩沖輸出2。振蕩級輸出測量三.通過7050mm六腳貼片晶體電容器測量振蕩級輸出圖5示出以上1-3個測量點和所測量的除緩沖器輸出外,振蕩頻率較低。
公司名:深圳市金洛鑫電子有限公司
聯系人:茹紅青
手機:13510569637
電話:0755-27837162
QQ號:657116624
微信公眾號:CITIZENCRYSTAL
搜狐公眾號:晶振石英晶振NDK晶振
郵箱:jinluodz@163.com
地址:深圳市寶安區41區甲岸路19號
相關的產品 / Related Products
- TXC晶振,VCXO晶振,BR晶振,BR-61.4400MBE-T晶振
- 壓控晶振(VCXO),壓控石英晶體振蕩器基本解決方案,PECL輸出,輸出頻率60 MHz到200 MHz之間,出色的低相位噪聲和抖動,三態功能,應用:SDH/SONET,以太網,基站,筆記本晶振應用,符合RoHS/無鉛.
- TXC晶振,VCXO晶振,BK晶振,BK-622.080MBE-T晶振
- 貼片石英晶振最適合用于車載電子領域的小型表面貼片石英晶體振蕩器.也可對應有高可靠性要求的引擎控制用CPU的時鐘部分簡稱為時鐘晶體振蕩器,在極端嚴酷的環境條件下也能發揮穩定的起振特性,產品本身具有耐熱,耐振,耐撞擊等優良的耐環境特性,滿足無鉛焊接的回流溫度曲線要求,符合AEC-Q200標準.
- TXC晶振,壓控晶振,6U晶振,6U-16.384MBE-T晶振
- 智能手機壓電石英晶體,產品具有高精度超小型的表面貼片型石英晶體振蕩器,適用于移動通信終端的基準時鐘等移動通信領域.比如智能手機,無線通信,衛星導航,平臺基站等數碼產品類別,晶振本身小型,薄型具備各類移動通信的基準時鐘源用頻率,貼片晶振具有優良的電氣特性,耐環境性能適用于移動通信領域,滿足無鉛工作的高溫回流溫度曲線要求.
JLX-PD
金洛鑫產品系列
PRODUCT LINE
石英晶振
QuartzCrystal
- KDS晶振
- 愛普生晶振
- NDK晶振
- 京瓷晶振
- 精工晶振
- 西鐵城晶振
- 大河晶振
- 村田晶振
- 泰藝晶振
- TXC晶振
- 鴻星晶振
- 希華晶振
- 加高晶振
- 百利通亞陶晶振
- 嘉碩晶振
- 津綻晶振
- 瑪居禮晶振
- 富士晶振
- SMI晶振
- Lihom晶振
- SHINSUNG晶振
- NAKA晶振
- AKER晶振
- NKG晶振
- NJR晶振
- Sunny晶振
貼片晶振
SMDcrystal
- CTS晶振
- 微晶晶振
- 瑞康晶振
- 康納溫菲爾德晶振
- 高利奇晶振
- Jauch晶振
- AbraconCrystal晶振
- 維管晶振
- ECScrystal晶振
- 日蝕晶振
- 拉隆晶振
- 格林雷晶振
- SiTimeCrystal晶振
- IDTcrystal晶振
- PletronicsCrystal晶振
- StatekCrystal晶振
- AEK晶振
- AEL晶振
- Cardinal晶振
- Crystek晶振
- Euroquartz晶振
- Fox晶振
- Frequency晶振
- GEYER晶振
- KVG晶振
- ILSI晶振
- Mmdcomp晶振
- MtronPTI晶振
- QANTEK晶振
- QuartzCom晶振
- Quarztechnik晶振
- Suntsu晶振
- Transko晶振
- Wi2Wi晶振
- ITTI晶振
- Oscilent晶振
- ACT晶振
- Rubyquartz晶振
- MTI-milliren晶振
- PDI晶振
- IQD晶振
- Microchip晶振
- Silicon晶振
- Anderson晶振
- Fortiming晶振
- CORE晶振
- NIPPON晶振
- NIC晶振
- QVS晶振
- Bomar晶振
- Bliley晶振
- GED晶振
- FILTRONETICS晶振
- STD晶振
- Q-Tech晶振
- Wenzel晶振
- NEL晶振
- EM晶振
- PETERMANN晶振
- FCD-Tech晶振
- HEC晶振
- FMI晶振
- Macrobizes晶振
- AXTAL晶振
- ARGO晶振
- 瑞薩renesas晶振
- Skyworks晶振