泰藝晶振,32.768K晶振,XD晶振
頻率:32.768KHz
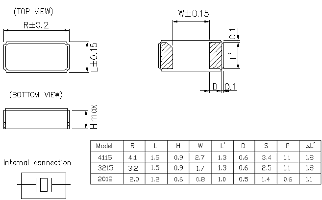
尺寸:3.2*1.5*0.9mm
泰藝電子立基臺灣,在美國與中國大陸均設有生產據點,營業與銷售據點包括臺灣臺北、美國、歐洲以及中國大陸等地,客戶使用石英水晶振蕩子,有源晶振,壓控振蕩器,貼片晶振遍及汽車產業、消費性電子、信息產業、通信產業與通信基礎產業.并且是臺灣唯一擁有生產『恒溫控制石英振蕩器』技術的制造商,完整的產品線提供一次性購足的服務.
近來由于污染排放總量管制受到應有重視,各種污染減量與管理機制的議題已陸續成為主管機關與企業間執行污染防制的重點,而泰藝石英晶振公司本身由于受到環保機關污染總量管制,污染物排放量有一定的承諾限值,加上各類相關環保議題的要求,亦訂定與規劃相關減量目標,全力保護有限的地球資源與環境.SC-32S同款音叉晶體,3215mm耐高溫SMD晶振,XD晶振
泰藝晶振,32.768K晶振,XD晶振.3.2*1.5mm兩腳小體積SMD時鐘晶體諧振器,是貼片音叉晶體,千赫頻率元件,應用于時鐘模塊,智能手機,全球定位系統,因產品本身體積小,SMD編帶型,可應用于高性能自動貼片焊接,被廣泛應用到各種小巧的便攜式消費電子數碼時間產品,環保性能符合ROHS/無鉛標準.
泰藝石英晶振多層、多金屬的濺射鍍膜技術:是目前研發及生產高精度、高穩定性石英晶體元器件——石英晶振必須攻克的關鍵技術之一。石英晶振該選用何鍍材、鍍幾種材料、幾種鍍材的鍍膜順序,鍍膜的工藝方法(如各鍍材的功率設計等)。使用此鍍膜方法使鍍膜后的晶振附著力增強,貼片晶振頻率更加集中,能控制在最小ppm之內。
泰藝晶振規格 |
單位 |
XD晶振 |
石英晶振基本條件 |
標準頻率 |
f_nom |
32.768KHZ |
標準頻率 |
儲存溫度 |
T_stg |
-55°C ~+125°C |
裸存 |
工作溫度 |
T_use |
-40°C ~+85°C |
標準溫度 |
激勵功率 |
DL |
0.1μW Max. |
推薦:1μW ~ 100μW |
頻率公差 |
f_— l |
±20 × 10-6 (標準), |
+25°C 對于超出標準的規格說明, |
頻率溫度特征 |
f_tem |
±20 × 10-6/-40°C ~+85°C |
超出標準的規格請聯系我們. |
負載電容 |
CL |
9pF、12.5PF |
超出標準說明,請聯系我們. |
串聯電阻(ESR) |
R1 |
如下表所示 |
-40°C — +85°C, DL = 100μW |
頻率老化 |
f_age |
±3× 10-6 / year Max. |
+25°C,第一年 |
操作
請勿用鑷子或任何堅硬的工具,夾具直接接觸IC的表面。泰藝晶振,32.768K晶振,XD晶振
使用環境(溫度和濕度)
請在規定的溫度范圍內使用石英水晶振動子。這個溫度涉及本體的和季節變化的溫度。在高濕環境下,會由于凝露引起故障。請避免凝露的產生。
激勵功率
在晶體單元上施加過多驅動力,會導致無源晶振特性受到損害或破壞。電路設計必須能夠維持適當的激勵功率 (請參閱“激勵功率”章節內容)。
負極電阻
除非振蕩回路中分配足夠多的負極電阻,否則振蕩或振蕩啟動時間可能會增加(請參閱“關于振蕩”章節內容)。SC-32S同款音叉晶體,3215mm耐高溫SMD晶振,XD晶振
負載電容
振蕩電路中負載電容的不同,可能導致進口貼片晶振振蕩頻率與設計頻率之間產生偏差。試圖通過強力調整,可能只會導致不正常的振蕩。在使用之前,請指明該振動電路的負載電容(請參閱“負載電容”章節內容)。
1、振蕩電路
32.768K進口晶體是無源元件,因此受到電源電壓、環境溫度、電路的影響。
配置、電路常數和襯底布線模式等操作大致分為正常運行和
異常運行。因此,在振蕩電路的設計中,先決條件之一是如何確定振蕩電路。
晶體諧振器的振動安全穩定。只有在做出了這個決定之后,后續的項目,例如
討論了頻率精度、頻率變化、調制度、振蕩起始時間和振蕩波形。SC-32S同款音叉晶體,3215mm耐高溫SMD晶振,XD晶振
2。角色的分量與參考值
在振蕩電路的設計中,必須認識到個體的作用。
組件.在表1中,以例如振蕩電路為例來描述角色。
(圖1)使用一個通用的C-MOS IC(74hcuo4ap東芝)。
當反饋電阻(rf)未安裝在振蕩電路中時,如圖所示
表1,即使在振蕩功率作用下,諧振器也不會啟動振蕩。
電路。除非有適當值的電阻器連接,否則振蕩不會啟動。
晶體諧振腔的形式模式,但泛音振蕩或基波。
振蕩開始代替。在基本諧振的情況下(MHz頻段)反饋電阻通常是1米?。在
泛音諧振器(兆赫頻帶)的情況下,值取決于IC和頻率特性,但在幾個范圍內。
K?-?幾十K。在3215音叉型石英晶體的案例(kHz頻段),需要連接一個電阻10米或更?。
限制流入諧振器的電流,調節負電阻和勵磁。
電平,防止諧振腔的反常振蕩,抑制頻率波動。
C1、C2電容器調節負電阻、勵磁電平和振蕩頻率。還設置有
給定負載能力。泰藝晶振,32.768K晶振,XD晶振
適當的控制電阻值(RD)取決于諧振器的類型,頻帶和設備的價值。
電容器(C1,C2)。精確值是通過測量振蕩電路的特性來確定的(包括
負電阻和驅動級)。AT切割諧振器(兆赫頻帶)的參考值在幾個范圍內。
?幾K?。音叉式諧振器(kHz頻段)的參考值在100 K?幾K?范圍。
安裝電容器的適當值取決于貼片晶振32.768K的類型、頻帶、控制電阻器的值和
振蕩的順序,在3 pF的范圍內- 33 pF左右,僅供參考。
公司名:深圳市金洛鑫電子有限公司
聯系人:茹紅青
手機:13510569637
電話:0755-27837162
QQ號:657116624
微信公眾號:CITIZENCRYSTAL
搜狐公眾號:晶振石英晶振NDK晶振
郵箱:jinluodz@163.com
地址:深圳市寶安區41區甲岸路19號
相關的產品 / Related Products
- 微晶32.768K晶振CC7V-T1A,CC7V-T1A-32.768kHz-7pF-20PPM-TA-QC貼片晶體
微晶32.768K晶振CC7V-T1A,CC7V-T1A-32.768kHz-7pF-20PPM-TA-QC貼片晶體,Micro晶振,歐美晶振,3215mm晶振,32.768K晶振,無源諧振器,無源晶體,陶瓷晶振,音叉晶體,小尺寸晶振,型號CC7V-T1A,編碼CC7V-T1A-32.768kHz-7pF-20PPM-TA-QC是一款陶瓷面的無源晶體,尺寸為3215mm,頻率32.768KKHZ,精度20ppm,負載7pF,工作溫度-40~+85°C采用優異的原料匠心打磨而成,符合國家認證標準,產品廣泛用于心臟起搏器,去纖顫器,神經,心臟監測裝置,植入式藥物輸送泵,輸液泵,耳蝸植入設備,智能骨科植入物等領域.
CM7V-T1A-32.768k-12.5pF-20PPM-TA-QA貼片晶振在加工過程中產生的應力及輕微表面缺陷.在PLC控制程序中輸入已設計好的溫度曲線,使真空室溫度跟隨設定曲線對晶體組件進行退火,石英晶振通過合理的真空退火技術可提高晶振主要參數的穩定性,以及提高石英晶振的年老化特性.微晶32.768K晶振CC7V-T1A,CC7V-T1A-32.768kHz-7pF-20PPM-TA-QC貼片晶體
- Statek晶振,貼片晶振,CX11L晶振,石英SMD諧振器
- 超小型,薄型,質地輕的表面貼片音叉型晶體諧振器,手機晶體,產品體積小,特別適用于各種小巧的便攜式消費電子數碼產品,在移動通信領域得到了廣泛的應用,晶振產品本身可發揮優良的電氣特性,滿足無鉛焊接的高溫回流溫度曲線要求.
- 微晶晶振,貼片晶振,CM7V-T1A_03晶振,美國進口32.768K晶振
- 32.768K時鐘晶體具有小型,薄型,輕型的貼片晶振表面音叉型晶體諧振器,產品具有優良的耐熱性,耐環境特性,可發揮晶振優良的電氣特性,滿足無鉛焊接的高溫回流溫度曲線要求,金屬外殼的封裝使得產品在封裝時能發揮比陶瓷諧振器外殼更好的耐沖擊性。
JLX-PD
金洛鑫產品系列
PRODUCT LINE
石英晶振
QuartzCrystal
- KDS晶振
- 愛普生晶振
- NDK晶振
- 京瓷晶振
- 精工晶振
- 西鐵城晶振
- 大河晶振
- 村田晶振
- 泰藝晶振
- TXC晶振
- 鴻星晶振
- 希華晶振
- 加高晶振
- 百利通亞陶晶振
- 嘉碩晶振
- 津綻晶振
- 瑪居禮晶振
- 富士晶振
- SMI晶振
- Lihom晶振
- SHINSUNG晶振
- NAKA晶振
- AKER晶振
- NKG晶振
- NJR晶振
- Sunny晶振
貼片晶振
SMDcrystal
- CTS晶振
- 微晶晶振
- 瑞康晶振
- 康納溫菲爾德晶振
- 高利奇晶振
- Jauch晶振
- AbraconCrystal晶振
- 維管晶振
- ECScrystal晶振
- 日蝕晶振
- 拉隆晶振
- 格林雷晶振
- SiTimeCrystal晶振
- IDTcrystal晶振
- PletronicsCrystal晶振
- StatekCrystal晶振
- AEK晶振
- AEL晶振
- Cardinal晶振
- Crystek晶振
- Euroquartz晶振
- Fox晶振
- Frequency晶振
- GEYER晶振
- KVG晶振
- ILSI晶振
- Mmdcomp晶振
- MtronPTI晶振
- QANTEK晶振
- QuartzCom晶振
- Quarztechnik晶振
- Suntsu晶振
- Transko晶振
- Wi2Wi晶振
- ITTI晶振
- Oscilent晶振
- ACT晶振
- Rubyquartz晶振
- MTI-milliren晶振
- PDI晶振
- IQD晶振
- Microchip晶振
- Silicon晶振
- Anderson晶振
- Fortiming晶振
- CORE晶振
- NIPPON晶振
- NIC晶振
- QVS晶振
- Bomar晶振
- Bliley晶振
- GED晶振
- FILTRONETICS晶振
- STD晶振
- Q-Tech晶振
- Wenzel晶振
- NEL晶振
- EM晶振
- PETERMANN晶振
- FCD-Tech晶振
- HEC晶振
- FMI晶振
- Macrobizes晶振
- AXTAL晶振
- ARGO晶振
- 瑞薩renesas晶振
- Skyworks晶振