Rubyquartz晶振,R38晶振,R38-32.768-6-10PPM-NPB晶振
頻率:32.768KHZ
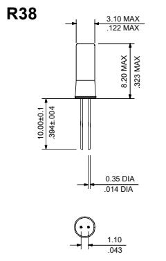
尺寸:3*8mm
Rubyquartz晶振,R38晶振,R38-32.768-6-10PPM-NPB晶振,Rubyquartz晶振中文名叫做盧柏晶振,為全球客戶提供頻率元件行業最成熟,最負盛名的研發團隊之一的技術專業知識.規格處于市場需求前沿的產品在邁阿密,佛羅里達州設計。總部。佛羅里達州和中國的制造地點使公司能夠滿足客戶優化總購置成本的需求,同時為所有產品系列提供足夠的生產空間。所提供產品的質量是所有Rubyquartz員工和公司管理層關注的重點之一。
Rubyquartz通過其直銷團隊以及獨立銷售代表和分銷商網絡在全球范圍內提供產品。客戶服務和技術支持由佛羅里達州邁阿密提供。總部。廣泛的石英晶振產品系列旨在滿足電信,無線,工業,醫療,計算機,消費者和電子行業許多其他領域的客戶的需求。Rubyquartz晶振,R38晶振,R38-32.768-6-10PPM-NPB晶振.
作為頻率控制產品的供應商,RUBY QUARTZ在我們生產的石英晶振產品中使用某些金屬。雖然RUBY QUARTZ要求所有供應商遵守電子行業行為準則,并且僅從環境和社會責任供應商處采購材料,但我們認識到涉及某些金屬的復雜供應鏈,并已采取措施確保我們購買的原始金屬做不是源于沖突地雷。“沖突采礦”和“沖突金屬”是指非洲控制非洲剛果民主共和國東部地區的一些地雷。電子工業使用某些類型的金屬,其中一些可能從這些礦山獲得的礦物中提煉。
Rubyquartz晶振,R38晶振,R38-32.768-6-10PPM-NPB晶振,插件石英圓柱晶振最適合用于比較低端的電子產品,比如兒童玩具,普通家用電器,即使在汽車電子領域中也能使產品高可靠性的使用.并且可用于安全控制裝置的CPU時鐘信號發生源部分,好比時鐘單片機上的石英晶振,在極端嚴酷的環境條件下,晶振也能正常工作,具有穩定的起振特性,高耐熱性,耐熱循環性和耐振性等
HOLDER TYPE | R38 |
NOMINAL FREQUENCY | 32.768 kHz |
FREQUENCY TOLERANCE | ±5 PPM, ±10 PPM, AND ±20 PPM(STANDARD) |
TURNOVER TEMPERATURE | 25° ± 5°C |
PARABOLIC CURVATURE CONSTANT † |
-0.034 PPM/ C² TYP |
LOAD CAPACITANCE | 6 to 12.5 pF |
EQUIVALENT SERIES RESISTANCE |
35k OHM MAX |
DRIVE LEVEL | 1.0 µw TYP |
MOTIONAL CAPACITANCE | 0.0035 pF TYP |
SHUNT CAPACITANCE | 1.6 pF TYP |
CAPACITANCE RATIO | 460 TYP |
AGING(FIRST YEAR MAX) | ±3 PPM |
QUALITY FACTOR | 90000 TYP |
INSULATION RESISTANCE | 500 M OHM MIN |
OPERATING TEMPERATURE RANGE |
-20°C TO +60°C STANDARD -40°C TO +85°C EXTENDED |
STORAGE TEMPERATURE RANGE |
-40°C TO +85°C |
SHOCK RESISTANCE |
±5 PPM MAXIMUM 75 cm DROP TEST IN 3 AXES ONTO A HARD SURFACE OR 3000 g x 0.3 ms x ½ SINEWAVE IN 3 AXES |
STANDARD PART NUMBER | R38-32.768-12.5-NPB |

焊接和超聲波清洗
晶振的焊接溫度條件是旨在允許同時處理其他電子元件,但取決于產品類型條件可能受到限制。確認使用前的條件。基本上,超聲波清洗助焊劑允許,但在某些情況下,與振蕩共振超聲波清潔器的頻率可能會導致晶體單元的特性惡化。請檢查所有清潔前的條件。
腐蝕性物質的影響
當SMD晶振單元接觸鹽或腐蝕性材料或長期暴露于某些物質這可能是氯化物或硫化物氣體等氣氛造成嚴重的缺陷,例如包裝失去其密封性由于腐蝕。選擇粘合劑或灌封時要特別小心用于晶體單元周邊的試劑。
安裝引線安裝型晶體單元
(1)在PC板上安裝一個晶體單元,使其高度單位低于其他部分;這樣可以防止
由于沖擊引起的破損引起的支架式玻璃上方。玻璃破碎可能會影響氣密性密封導致性能下降。
(2)安裝鉛封式晶體單元時使用PC板,PC上的孔之間的距離電路板應該等于端子之間的距離晶體單元安裝。螺距中最輕微的誤差可能會導致玻璃裂縫水晶單元支架的一部分。
(3)安裝引線型晶體單元時,我們建議設備應與PC聯系電路板和焊接方式,以防止疲勞和由于機械共振引起的引線斷裂。
(4)在PC板上安裝SMD無源晶振后,移動如圖14所示的單元使支架基底玻璃破裂導致特性惡化。別動了這樣的水晶單元。
公司名:深圳市金洛鑫電子有限公司
聯系人:茹紅青
手機:13510569637
電話:0755-27837162
QQ號:657116624
微信公眾號:CITIZENCRYSTAL
搜狐公眾號:晶振石英晶振NDK晶振
郵箱:jinluodz@163.com
地址:深圳市寶安區41區甲岸路19號
相關的產品 / Related Products
- ECS晶體,石英晶振,ECS-2x6X晶振,歐美進口晶振
- 貼片表晶32.768K系列具有超小型,薄型,質地輕的表面貼片音叉型石英晶體諧振器,晶振產品本身具備優良的耐熱性,耐環境特性,在辦公自動化,家電領域,移動通信領域可發揮優良的電氣特性,符合無鉛標準,滿足無鉛焊接的回流溫度曲線要求,金屬外殼的石英晶振使得產品在封裝時能發揮比陶瓷晶振外殼更好的耐沖擊性能.
JLX-PD
金洛鑫產品系列
PRODUCT LINE
石英晶振
QuartzCrystal
- KDS晶振
- 愛普生晶振
- NDK晶振
- 京瓷晶振
- 精工晶振
- 西鐵城晶振
- 大河晶振
- 村田晶振
- 泰藝晶振
- TXC晶振
- 鴻星晶振
- 希華晶振
- 加高晶振
- 百利通亞陶晶振
- 嘉碩晶振
- 津綻晶振
- 瑪居禮晶振
- 富士晶振
- SMI晶振
- Lihom晶振
- SHINSUNG晶振
- NAKA晶振
- AKER晶振
- NKG晶振
- NJR晶振
- Sunny晶振
貼片晶振
SMDcrystal
- CTS晶振
- 微晶晶振
- 瑞康晶振
- 康納溫菲爾德晶振
- 高利奇晶振
- Jauch晶振
- AbraconCrystal晶振
- 維管晶振
- ECScrystal晶振
- 日蝕晶振
- 拉隆晶振
- 格林雷晶振
- SiTimeCrystal晶振
- IDTcrystal晶振
- PletronicsCrystal晶振
- StatekCrystal晶振
- AEK晶振
- AEL晶振
- Cardinal晶振
- Crystek晶振
- Euroquartz晶振
- Fox晶振
- Frequency晶振
- GEYER晶振
- KVG晶振
- ILSI晶振
- Mmdcomp晶振
- MtronPTI晶振
- QANTEK晶振
- QuartzCom晶振
- Quarztechnik晶振
- Suntsu晶振
- Transko晶振
- Wi2Wi晶振
- ITTI晶振
- Oscilent晶振
- ACT晶振
- Rubyquartz晶振
- MTI-milliren晶振
- PDI晶振
- IQD晶振
- Microchip晶振
- Silicon晶振
- Anderson晶振
- Fortiming晶振
- CORE晶振
- NIPPON晶振
- NIC晶振
- QVS晶振
- Bomar晶振
- Bliley晶振
- GED晶振
- FILTRONETICS晶振
- STD晶振
- Q-Tech晶振
- Wenzel晶振
- NEL晶振
- EM晶振
- PETERMANN晶振
- FCD-Tech晶振
- HEC晶振
- FMI晶振
- Macrobizes晶振
- AXTAL晶振
- ARGO晶振
- 瑞薩renesas晶振
- Skyworks晶振