ECS晶振CSM-3X,ECS-400-20-3X-EN-TR無源貼片晶振,伊西斯晶振,無源晶振,石英晶體,SMD晶振,石英晶體諧振器,型號CSM-3X,編碼ECS-400-20-3X-EN-TR是一款金屬面貼片型的音叉晶體,尺寸為7040mm,頻率為40MHZ,負載電容20pF,精度30ppm,工作溫度-40°C~+85°C,采用優異的原料細致打磨而成,并經過層層篩選出來的優良產品,具備高質量低損耗的特點,產品廣泛適合用于物聯網應用,消費電子,醫療保健設備,智能電表,儀表等領域.
ECS-245.7-20-3X-TR無源晶體外觀使用金屬材料封裝的,具有高穩定性,高可靠性的石英晶體振蕩器,晶振外觀本身使用金屬封裝,充分的密封性能,可確保其高可靠性,采用編帶包裝,外包裝采用朔膠盤,可在自動貼片機上對應自動貼裝等優勢.ECS晶振CSM-3X,ECS-400-20-3X-EN-TR無源貼片晶振
ECS-400-20-3X-EN-TR晶振參數表
ECS晶振 |
單位 |
CSM-3X晶振 |
石英晶振基本條件 |
標準頻率 |
f_nom |
40MHZ |
標準頻率 |
儲存溫度 |
T_stg |
-40°C~+85°C |
裸存 |
工作溫度 |
T_use |
-40°C~+85°C |
標準溫度 |
激勵功率 |
DL |
200μW Max. |
推薦:1μW~100μW |
頻率公差 |
f_— l |
±30 × 10-6(標準), |
+25°C對于超出標準的規格說明, |
頻率溫度特征 |
f_tem |
±50 × 10-6/-20°C~+70°C |
超出標準的規格請聯系我們. |
負載電容 |
CL |
20pF~∞ |
不同負載要求,請聯系我們. |
串聯電阻(ESR) |
R1 |
40 Ohms |
-40°C — +85°C,DL = 100μW |
頻率老化 |
f_age |
±5 × 10-6/ year Max. |
+25°C,第一年 |

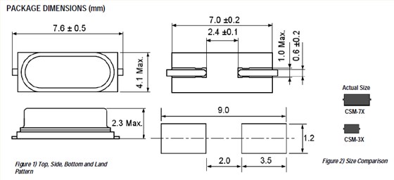
ECS晶振CSM-3X,ECS-400-20-3X-EN-TR無源貼片晶振尺寸圖
使用注意事項
清洗
關于一般清洗液的使用以及超聲波清洗沒有問題,但這僅僅是對單個石英晶體產品進行試驗所得的結果,因此請根據實際使用狀態進行確認。ECS晶振CSM-3X,ECS-400-20-3X-EN-TR無源貼片晶振
由于音叉型晶體諧振器的頻率范圍和超聲波清洗機的清洗頻率很近,容易受到共振破壞,因此請盡可能避免超聲波清洗。
若要進行超聲波清洗,必須事先根據實際使用狀態進行確認。
撞擊
雖然貼片晶振產品在設計階段已經考慮到其耐撞擊性,但如果掉到地板上或者受到過度的撞擊,以防萬一還是要檢查特性后再使用。
裝載
SMD產品
SMD晶體產品支持自動貼裝,但還是請預先基于所使用的搭載機實施搭載測試,確認其對特性沒有影響。 在切斷工序等會導致基板發生翹曲的工序中,請注意避免翹曲影響到產品的特性以及軟焊。 基于超聲波焊接的貼裝以及加工會使得時鐘晶體產品(諧振器、振蕩器、濾波器)內部傳播過大的振動,有可能導致特性老化以及引起不振蕩,因此不推薦使 用。
引線類型產品
當引線彎折、成型以及貼裝到印制電路板時,請注意避免對基座玻璃部分施加壓力。否則有可能導致玻璃出現裂痕,從而引起性能劣化。
保管
保管在高溫多濕的場所可能會導致端子軟焊性的老化。
請在沒有直射陽光,不發生結露的場所保管。ECS晶振CSM-3X,ECS-400-20-3X-EN-TR無源貼片晶振
Manufacturer Part Number原廠編碼 | Manufacturer廠家 | Series型號 | Frequency | Operating Temperature工作溫度 | Size / Dimension 尺寸 | Height - Seated (Max)高度 |
ECS-160-20-3X-TR | ECS晶振 | CSM-3X | 16MHz | -10°C ~ 70°C | 0.276" L x 0.161" W (7.00mm x 4.10mm) | 0.091" (2.30mm) |
ECS-160-20-3X-TR | ECS晶振 | CSM-3X | 16MHz | -10°C ~ 70°C | 0.276" L x 0.161" W (7.00mm x 4.10mm) | 0.091" (2.30mm) |
ECS-143-20-3X-TR | ECS晶振 | CSM-3X | 14.31818MHz | -10°C ~ 70°C | 0.276" L x 0.161" W (7.00mm x 4.10mm) | 0.091" (2.30mm) |
ECS-143-20-3X-TR | ECS晶振 | CSM-3X | 14.31818MHz | -10°C ~ 70°C | 0.276" L x 0.161" W (7.00mm x 4.10mm) | 0.091" (2.30mm) |
ECS-143-20-3X-TR | ECS晶振 | CSM-3X | 14.31818MHz | -10°C ~ 70°C | 0.276" L x 0.161" W (7.00mm x 4.10mm) | 0.091" (2.30mm) |
ECS-147.4-20-3X-TR | ECS晶振 | CSM-3X | 14.7456MHz | -10°C ~ 70°C | 0.276" L x 0.161" W (7.00mm x 4.10mm) | 0.091" (2.30mm) |
ECS-147.4-20-3X-TR | ECS晶振 | CSM-3X | 14.7456MHz | -10°C ~ 70°C | 0.276" L x 0.161" W (7.00mm x 4.10mm) | 0.091" (2.30mm) |
ECS-147.4-20-3X-TR | ECS石英晶振 | CSM-3X | 14.7456MHz | -10°C ~ 70°C | 0.276" L x 0.161" W (7.00mm x 4.10mm) | 0.091" (2.30mm) |
ECS-184-20-3X-TR | ECS晶振 | CSM-3X | 18.432MHz | -10°C ~ 70°C | 0.276" L x 0.161" W (7.00mm x 4.10mm) | 0.091" (2.30mm) |
ECS-184-20-3X-TR | ECS晶振 | CSM-3X | 18.432MHz | -10°C ~ 70°C | 0.276" L x 0.161" W (7.00mm x 4.10mm) | 0.091" (2.30mm) |
ECS-184-20-3X-TR | ECS晶振 | CSM-3X | 18.432MHz | -10°C ~ 70°C | 0.276" L x 0.161" W (7.00mm x 4.10mm) | 0.091" (2.30mm) |
ECS-200-20-3X-TR | ECS晶振 | CSM-3X | 20MHz | -10°C ~ 70°C | 0.276" L x 0.161" W (7.00mm x 4.10mm) | 0.091" (2.30mm) |
ECS-200-20-3X-TR | ECS晶振 | CSM-3X | 20MHz | -10°C ~ 70°C | 0.276" L x 0.161" W (7.00mm x 4.10mm) | 0.091" (2.30mm) |
ECS-200-20-3X-TR | ECS晶振 | CSM-3X | 20MHz | -10°C ~ 70°C | 0.276" L x 0.161" W (7.00mm x 4.10mm) | 0.091" (2.30mm) |
ECS-245.7-20-3X-TR | ECS晶振 | CSM-3X | 24.576MHz | -10°C ~ 70°C | 0.276" L x 0.161" W (7.00mm x 4.10mm) | 0.091" (2.30mm) |
ECS-245.7-20-3X-TR | ECS晶振 | CSM-3X | 24.576MHz | -10°C ~ 70°C | 0.276" L x 0.161" W (7.00mm x 4.10mm) | 0.091" (2.30mm) |
ECS-245.7-20-3X-TR | ECS晶振 | CSM-3X | 24.576MHz | -10°C ~ 70°C | 0.276" L x 0.161" W (7.00mm x 4.10mm) | 0.091" (2.30mm) |
ECS-286.3-20-3X-EN-TR | ECS晶振 | CSM-3X | 28.63636MHz | -40°C ~ 85°C | 0.276" L x 0.161" W (7.00mm x 4.10mm) | 0.091" (2.30mm) |
ECS-286.3-20-3X-EN-TR | ECS晶振 | CSM-3X | 28.63636MHz | -40°C ~ 85°C | 0.276" L x 0.161" W (7.00mm x 4.10mm) | 0.091" (2.30mm) |
ECS-286.3-20-3X-EN-TR | ECS晶振 | CSM-3X | 28.63636MHz | -40°C ~ 85°C | 0.276" L x 0.161" W (7.00mm x 4.10mm) | 0.091" (2.30mm) |
ECS-300-20-3X-EN-TR | ECS晶振 | CSM-3X | 30MHz | -40°C ~ 85°C | 0.276" L x 0.161" W (7.00mm x 4.10mm) | 0.091" (2.30mm) |
ECS-300-20-3X-EN-TR | ECS晶振 | CSM-3X | 30MHz | -40°C ~ 85°C | 0.276" L x 0.161" W (7.00mm x 4.10mm) | 0.091" (2.30mm) |
ECS-300-20-3X-EN-TR | ECS晶振 | CSM-3X | 30MHz | -40°C ~ 85°C | 0.276" L x 0.161" W (7.00mm x 4.10mm) | 0.091" (2.30mm) |
ECS-400-20-3X-EN-TR | ECS晶振 | CSM-3X | 40MHz | -40°C ~ 85°C | 0.276" L x 0.161" W (7.00mm x 4.10mm) | 0.091" (2.30mm) |
ECS-400-20-3X-EN-TR | ECS晶振 | CSM-3X | 40MHz | -40°C ~ 85°C | 0.276" L x 0.161" W (7.00mm x 4.10mm) | 0.091" (2.30mm) |
ECS-400-20-3X-EN-TR | ECS晶振 | CSM-3X | 40MHz | -40°C ~ 85°C | 0.276" L x 0.161" W (7.00mm x 4.10mm) | 0.091" (2.30mm) |
