Jauch晶振,貼片晶振,JTX520晶振
頻率:32.768KHZ(32KHZ~100KHZ)
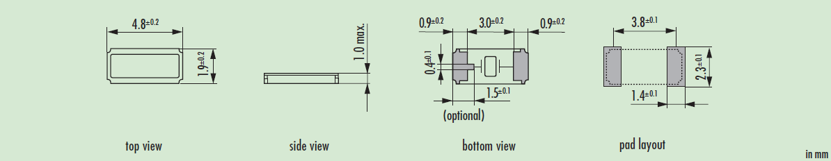
尺寸:4.8*1.9mm
Jauch晶振集團是石英晶體、晶體振蕩器和電池技術的主要專家之一.公司成立于1954年,現在是一家領先的壓電石英晶體元器件、壓電石英晶體、有源晶體頻率控制產品行業的公司,最近也有創新的MEMS計時時鐘.
Jauch晶振深入的技術咨詢、高應用程序和認證技術、先進的測試環境、高可用性和快速交付的產品以及世界上最大的頻率生成設備倉庫.
自2003年以來,Jauch Quartz France一直是Jauch集團的組成部分.快速反應時間,一個有才華員工的小而靈活的團隊,以及我們強大的客戶中心使我們成為典型的Jauch公司.我們提供各種壓電石英晶體元器件、壓電石英晶體、有源晶體、石英晶振,有源晶振,壓控振蕩器產品,從Jauch的產品組合.電力供應、連接器和電纜、聲學組件、鍵盤和變壓器為我們提供了在法國市場上額外的銷售和增長機會.
Jauch石英晶振集團位于villingen - schwenningen的總部的生產設施,以及時的方式滿足世界各地的客戶需求:MEMS振蕩器在我們自己的生產設施中配置和交付,并注重及時

Jauch晶振,貼片晶振,JTX520晶振,貼片石英晶體諧振器,又簡稱為排帶包裝,這是這產品采用排帶盤式包裝,使產品在焊接時能采用SMT自動貼片機高速的焊接,大大節約人工,提高工作效率.32.768KHz千赫子時鐘晶體,其本身主要應用在時鐘控制產品,或者是控制模塊,主要給時鐘芯片提供一個基準信號,其主要各項功能還得看應用何種產品.本產品具有小型,薄型,輕型的貼片晶振表面型音叉式石英晶體諧振器,產品具有優良的耐熱性,耐環境特性,可發揮晶振優良的電氣特性
晶振的真空封裝技術:是指石英晶振在真空封裝區域內進行封裝。1.防止外界氣體進入組件體內受到污染和增加應力的產生;2.使晶振組件在真空下電阻減小;3.氣密性高。此技術為研發及生產超小型、超薄型石英晶振必須攻克的關鍵技術之一
Jauch晶振 |
單位 |
JTX520晶振 |
石英晶振基本條件 |
標準頻率 |
f_nom |
32.768KHZ |
標準頻率 |
儲存溫度 |
T_stg |
-40°C ~ +125°C |
裸存 |
工作溫度 |
T_use |
-40°C ~ +85°C |
標準溫度 |
激勵功率 |
DL |
200μW Max. |
推薦:1μW ~ 100μW |
頻率公差 |
f_— l |
±50 × 10-6 (標準), |
+25°C 對于超出標準的規格說明, |
頻率溫度特征 |
f_tem |
±30 × 10-6/-20°C ~ +70°C |
超出標準的規格請聯系我們. |
負載電容 |
CL |
7pF ~ ∞ |
不同負載要求,請聯系我們. |
串聯電阻(ESR) |
R1 |
如下表所示 |
-40°C — +85°C, DL = 100μW |
頻率老化 |
f_age |
±5 × 10-6 / year Max. |
+25°C,第一年 |


清洗
關于一般清洗液的使用以及超聲波清洗沒有問題,但這僅僅是對單個石英晶體產品進行試驗所得的結果,因此請根據實際使用狀態進行確認。
由于音叉型石英晶體諧振器的頻率范圍和超聲波清洗機的清洗頻率很近,容易受到共振破壞,因此請盡可能避免超聲波清洗。
若要進行超聲波清洗,必須事先根據實際使用狀態進行確認。
撞擊
雖然石英晶體諧振器產品在設計階段已經考慮到其耐撞擊性,但如果掉到地板上或者受到過度的撞擊,以防萬一還是要檢查特性后再使用。
裝載
<SMD產品>
SMD晶振產品支持自動貼裝,但還是請預先基于所使用的搭載機實施搭載測試,確認其對特性沒有影響。 在切斷工序等會導致基板發生翹曲的工序中,請注意避免翹曲影響到產品的特性以及軟焊。 基于超聲波焊接的貼裝以及加工會使得貼片晶體產品(諧振器、振蕩器、濾波器)內部傳播過大的振動,有可能導致特性老化以及引起不振蕩,因此不推薦使 用。
<引線類型產品>
當引線彎折、成型以及貼裝到印制電路板時,請注意避免對基座玻璃部分施加壓力。否則有可能導致玻璃出現裂痕,從而引起性能劣化。
保管
保管在高溫多濕的場所可能會導致端子軟焊性的老化。
請在沒有直射陽光,不發生結露的場所保管。Jauch晶振,貼片晶振,JTX520晶振
輸出波形與測試電路
1.時序表
2. 測試條件
(1) 電源電壓
? 超過 150µs,直到電壓級別從 0 %達到 90 % 。
? 電源電壓阻抗低于電阻 2Ω。
(2) 其他
? 輸入電容低于 15 pF
? 5倍頻率范圍或更多測量頻率。
? 鉛探頭應盡可能短。
? 測量頻率時,探頭阻抗將高于 1MΩ。當波形經過振蕩器的放大器時,可同時進行測量。
(3) 其他
? CL包含探頭電容。
? 應使用帶有小的內部阻抗的電表。
? 使用微型插槽,以觀察波形。
(請勿使用該探頭的長接地線。)
3. 測試電路
TCO-****系列 VG, TG, EG,XG系列 *1 :在頻率電壓控制功能時,進行連接
公司名:深圳市金洛鑫電子有限公司
聯系人:茹紅青
手機:13510569637
電話:0755-27837162
QQ號:657116624
微信公眾號:CITIZENCRYSTAL
搜狐公眾號:晶振石英晶振NDK晶振
郵箱:jinluodz@163.com
地址:深圳市寶安區41區甲岸路19號
相關的產品 / Related Products
- NKG車載多媒體晶振,S2SM進口晶振,S2SM18.0000F16M23-EXT超小型晶振
NKG車載多媒體晶振,S2SM進口晶振,S2SM18.0000F16M23-EXT超小型晶振,NKG晶振,S2SM晶振,石英晶振,無源晶振,S2SM18.0000F16M23-EXT晶振,四腳貼片晶振,石英晶體諧振器,2016mm晶振,SMD晶體,高精度晶振,輕薄小晶振,無鉛環保晶振,6G無線模塊晶振,筆記本電腦晶振,智能手機晶振,移動應用晶振.特點:微型包裝尺寸2.0 x 1.6 x 0.5mm與4個墊,優異的耐熱性和抗震性,真空密封,可靠性高,老化率低,符合AEC-Q200標準的汽車級產品可供選擇
- NKG晶振,S5M19.2000F18M23-EXT,5032mm晶振,6G移動應用晶振
NKG晶振,S5M19.2000F18M23-EXT,5032mm晶振,6G移動應用晶振,NKG晶振,S5M石英晶體,進口無源晶振,S5M19.2000F18M23-EXT晶振,石英晶體諧振器,5032mm晶振,四腳貼片晶振,SMD晶體,頻率19.2MHz,負載18pF,頻率容差20ppm,工作溫度-40~85°C,低老化晶振,耐高溫晶振,高品質晶振,6G移動應用晶振,調制解調器晶振,微處理器晶振,無線通信晶振.
- NKG晶振,S4M27.0000F16E1Y-EXT,4025mm晶振,6G通信設備晶振
NKG晶振,S4M27.0000F16E1Y-EXT,4025mm晶振,6G通信設備晶振,NKG晶振,S4M無源晶振,石英晶振,S4M27.0000F16E1Y-EXT晶振,4025mm晶振,四腳貼片晶振,SMD晶體,晶體諧振器,頻率27MHz,負載16pF,頻率容差10ppm,工作溫度-20~70°C,無鉛環保晶振,高精度晶振,抗震動晶振,6G通信設備晶振,無線局域網晶振,智能手機晶振,平板電腦晶振.
JLX-PD
金洛鑫產品系列
PRODUCT LINE
石英晶振
QuartzCrystal
- KDS晶振
- 愛普生晶振
- NDK晶振
- 京瓷晶振
- 精工晶振
- 西鐵城晶振
- 大河晶振
- 村田晶振
- 泰藝晶振
- TXC晶振
- 鴻星晶振
- 希華晶振
- 加高晶振
- 百利通亞陶晶振
- 嘉碩晶振
- 津綻晶振
- 瑪居禮晶振
- 富士晶振
- SMI晶振
- Lihom晶振
- SHINSUNG晶振
- NAKA晶振
- AKER晶振
- NKG晶振
- NJR晶振
- Sunny晶振
貼片晶振
SMDcrystal
- CTS晶振
- 微晶晶振
- 瑞康晶振
- 康納溫菲爾德晶振
- 高利奇晶振
- Jauch晶振
- AbraconCrystal晶振
- 維管晶振
- ECScrystal晶振
- 日蝕晶振
- 拉隆晶振
- 格林雷晶振
- SiTimeCrystal晶振
- IDTcrystal晶振
- PletronicsCrystal晶振
- StatekCrystal晶振
- AEK晶振
- AEL晶振
- Cardinal晶振
- Crystek晶振
- Euroquartz晶振
- Fox晶振
- Frequency晶振
- GEYER晶振
- KVG晶振
- ILSI晶振
- Mmdcomp晶振
- MtronPTI晶振
- QANTEK晶振
- QuartzCom晶振
- Quarztechnik晶振
- Suntsu晶振
- Transko晶振
- Wi2Wi晶振
- ITTI晶振
- Oscilent晶振
- ACT晶振
- Rubyquartz晶振
- MTI-milliren晶振
- PDI晶振
- IQD晶振
- Microchip晶振
- Silicon晶振
- Anderson晶振
- Fortiming晶振
- CORE晶振
- NIPPON晶振
- NIC晶振
- QVS晶振
- Bomar晶振
- Bliley晶振
- GED晶振
- FILTRONETICS晶振
- STD晶振
- Q-Tech晶振
- Wenzel晶振
- NEL晶振
- EM晶振
- PETERMANN晶振
- FCD-Tech晶振
- HEC晶振
- FMI晶振
- Macrobizes晶振
- AXTAL晶振
- ARGO晶振
- 瑞薩renesas晶振
- Skyworks晶振